PRODUCTS

  • Home
  • Giới thiệu sản phẩm

INA
81226-TV
Axial cylindrical roller bearing 81226-TV
Thêm vào yêu cầu báo giá
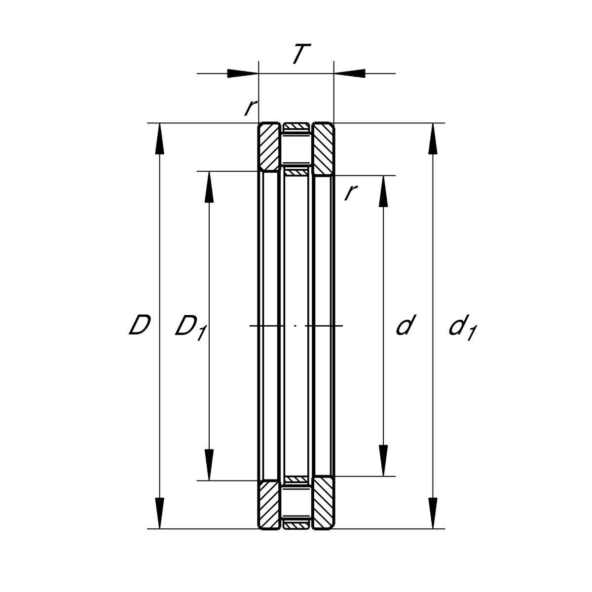
Main Dimensions & Performance Data
d
130 mm
Bore diameter
T
45 mm
Height
Ca
480,000 N
Basic dynamic load rating, axial
C0a
1,520,000 N
Basic static load rating, axial
Cua
154,000 N
Fatigue load limit, axial
nG
1,800 1/min
Limiting speed
nϑr
710 1/min
Reference speed
D
190 mm
Outside diameter
≈m
3.781 kg
Weight

Mounting dimensions
da min
181 mm
Minimum diameter shaft shoulder
Da max
137 mm
Maximum diameter of housing shoulder
ra max
1.5 mm
Maximum recess radius

Dimensions
D1
133 mm
Bore diameter housing washer
d1
187 mm
Rip diameter shaft washer
rmin
1.5 mm
Minimum chamfer dimension

Temperature range
Tmin
-30 °C
Operating temperature min.
Tmax
120 °C
Operating temperature max.

Additional information
K81226-TV
Axial roller and cage assembly
GS81226
Housing Washer
WS81226
Shaft washer
LS160200
Track Washer

Your current product variant
CageTVPlastic Cage made from PA66
Thêm vào yêu cầu báo giá