PRODUCTS

  • Home
  • Giới thiệu sản phẩm

INA
81228-M
Axial cylindrical roller bearing 81228-M
Thêm vào yêu cầu báo giá
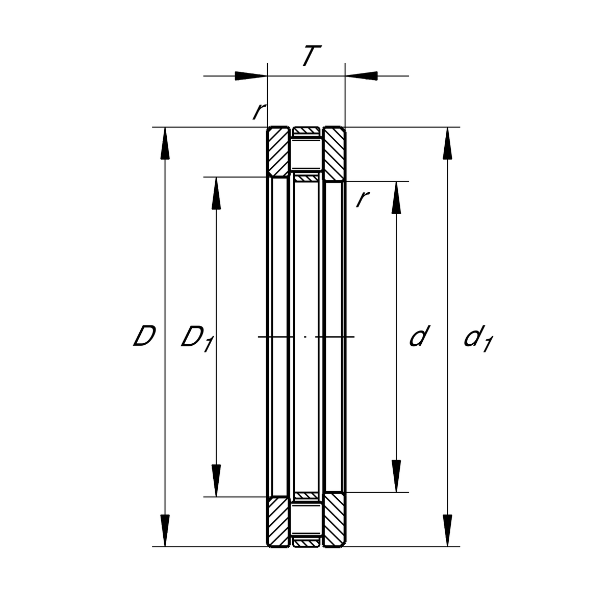
Main Dimensions & Performance Data
d
140 mm
Bore diameter
T
46 mm
Height
Ca
455,000 N
Basic dynamic load rating, axial
C0a
1,450,000 N
Basic static load rating, axial
Cua
143,000 N
Fatigue load limit, axial
nG
1,690 1/min
Limiting speed
nϑr
730 1/min
Reference speed
D
200 mm
Outside diameter
≈m
4.95 kg
Weight

Mounting dimensions
da min
191 mm
Minimum diameter shaft shoulder
Da max
147 mm
Maximum diameter of housing shoulder

Dimensions
D1
143 mm
Bore diameter housing washer
d1
197 mm
Rip diameter shaft washer
rmin
1.5 mm
Minimum chamfer dimension

Temperature range
Tmin
-30 °C
Operating temperature min.
Tmax
120 °C
Operating temperature max.

Additional information
K81228-M
Axial roller and cage assembly
GS81228
Housing Washer
WS81228
Shaft washer

Your current product variant
CageMBrass Cage
Thêm vào yêu cầu báo giá