PRODUCTS

  • Home
  • Giới thiệu sản phẩm

INA
AY30-XL-NPP-B
Radial insert ball bearing AY30-XL-NPP-B
Thêm vào yêu cầu báo giá
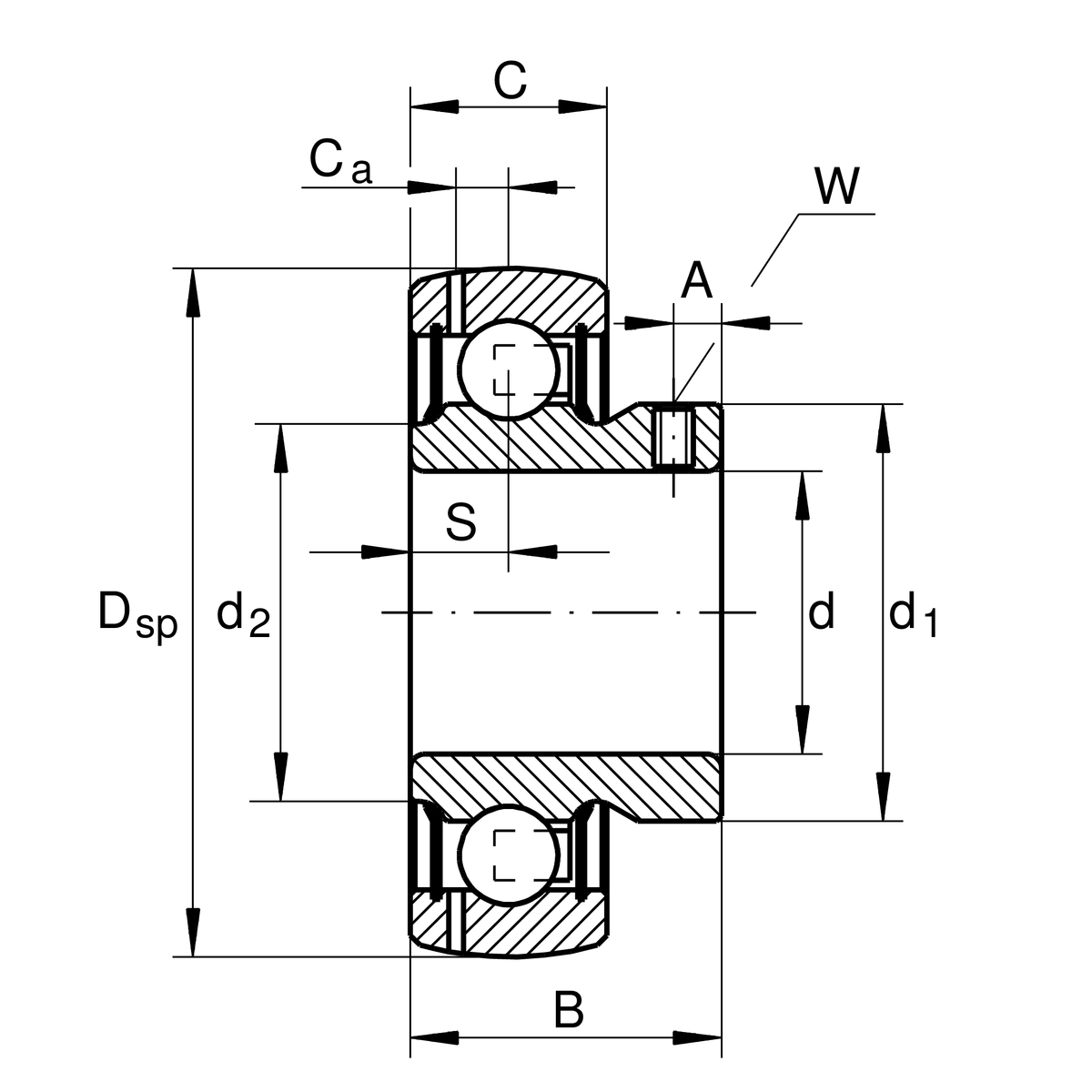
Main Dimensions & Performance Data
d
30 mm
Bore diameter
DSP
62 mm
Outside diameter
B
30 mm
Width
Cur
480 N
Fatigue load limit, radial
Cr
19,500 N
Basic dynamic load rating, radial
C0r
11,300 N
Basic static load rating, radial
≈m
0.25 kg
Weight

Dimensions
C
18 mm
Width, outer ring
S
9 mm
Distance raceway
d1
39.4 mm
Rib diameter inner ring
d2
37.3 mm
Rib diameter sealing inner ring
A
5.8 mm
Distance thread
W
3 mm
Width of flats

Calculation factors
f0
13.8
Calculation factor

Your current product variant
SealingNPPLip seal on both sides
Shape of outer surfaceB
Thêm vào yêu cầu báo giá