PRODUCTS

  • Home
  • Giới thiệu sản phẩm

Schaeffler
HYDNUT250-HEAVY
Hydraulic nut HYDNUT250-HEAVY
Thêm vào yêu cầu báo giá
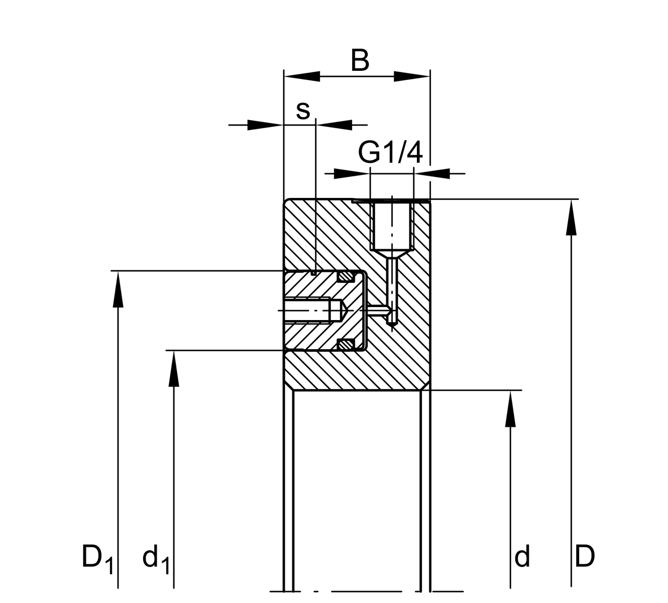
Technical data
d
250 mm
Inner diameter (tolerance: H7)
D
390 mm
Outer Diameter
B
48 mm
Width
D1
345 mm
d1
280 mm
s
12 mm
Stroke, max.
319 cm²
Piston surface
500 bar
Pressure, max.
1,600 kN
Drive-up force, max.
≈m
26.1 kg
Weight

Additional information
1 pc. Hydraulic nut, 1 pc. Screw plug, 1 pc. Connection nipple, 1 pc. Replacement seal set, 1 pc. User manual
Scope of delivery

Your current product variant
SeriesHEAVYreinforced version without thread
Thêm vào yêu cầu báo giá