PRODUCTS

  • Home
  • Giới thiệu sản phẩm

Schaeffler
HYDNUT250-E
Hydraulic nut HYDNUT250-E
Thêm vào yêu cầu báo giá
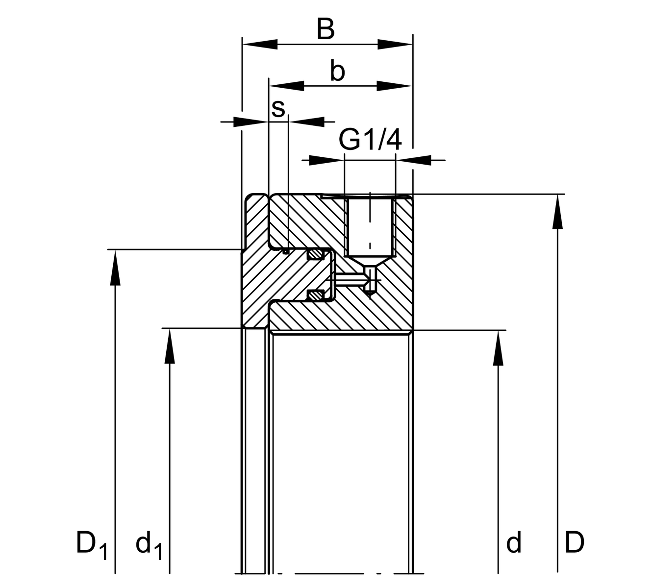
Technical data
d
Tr250x4
Thread
D
345 mm
Outer Diameter
B
54 mm
Width
b
44 mm
Width press ring
D1
310 mm
d1
252 mm
s
10 mm
Stroke, max.
182.2 cm²
Piston surface
500 bar
Pressure, max.
911 kN
Drive-up force, max.
≈m
19.1 kg
Weight

Additional information
1 pc. Hydraulic nut, 3 pcs. Clamping screws, 1 pc. Screw plug, 1 pc. Connection nipple, 3 pcs. to 5 pcs. Threaded pins, 1 pc. Hand lever, 1 pc. Replacement seal set, 1 pc. User manual
Scope of delivery

Your current product variant
SeriesEmetric fine pitch thread/trapezoid thread
Thêm vào yêu cầu báo giá