PRODUCTS

  • Home
  • Giới thiệu sản phẩm

INA
BK1512-L271
Drawn cup needle roller bearing closed end BK1512-L271
Thêm vào yêu cầu báo giá
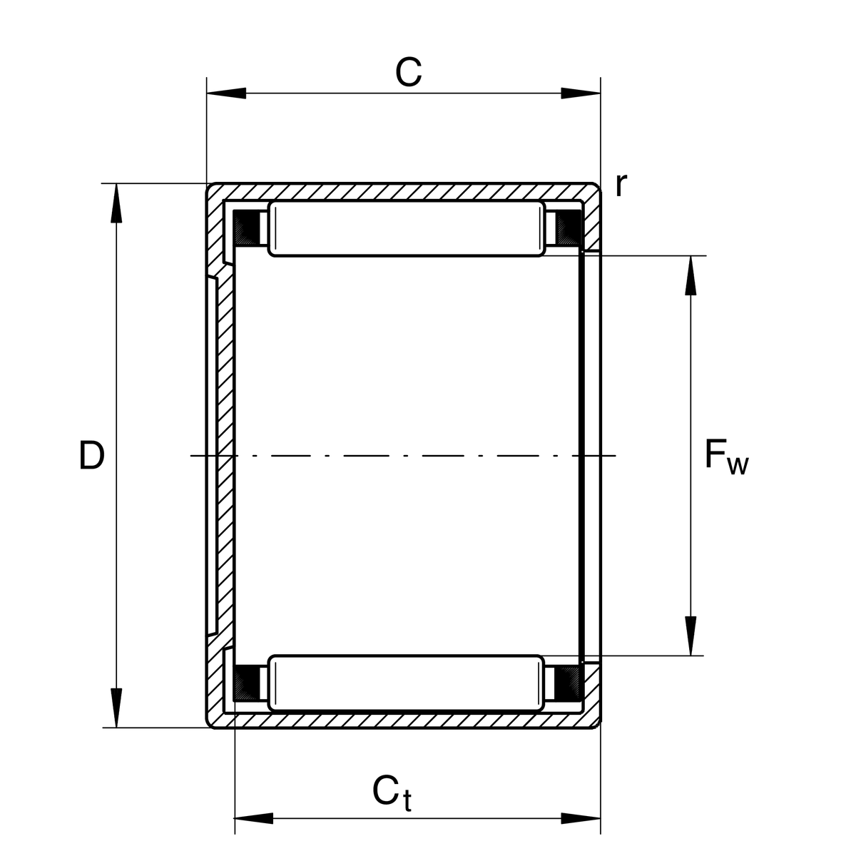
Main Dimensions & Performance Data
Fw
15 mm
Under roller diameter
D
21 mm
Outside diameter
C
12 mm
Width, outer ring
Cr
7,900 N
Basic dynamic load rating, radial
C0r
9,400 N
Basic static load rating, radial
Cur
1,170 N
Fatigue load limit, radial
nG Grease
9,800 1/min
Limiting speed for grease lubrication
nG
16,300 1/min
Limiting speed
nϑr
12,300 1/min
Reference speed
≈m
13 g
Weight

Dimensions
rmin
0.8 mm
Minimum chamfer dimension
Ct min
9.3 mm
Minimum width to base of drawn cup with closed end

Temperature range
Tmin
-30 °C
Operating temperature min.
Tmax
140 °C
Operating temperature max.

Additional information
SD15X21X3
Sealing ring
G15X21X3
Sealing ring 2
LR12X15X12,5
Suitable inner rings LR
IR12X15X12-XL
Suitable inner rings IR

Your current product variant
CoatingWithout
SealingWithout
Thêm vào yêu cầu báo giá