PRODUCTS

  • Home
  • Giới thiệu sản phẩm

INA
811/500-M
Axial cylindrical roller bearing 811/500-M
Thêm vào yêu cầu báo giá
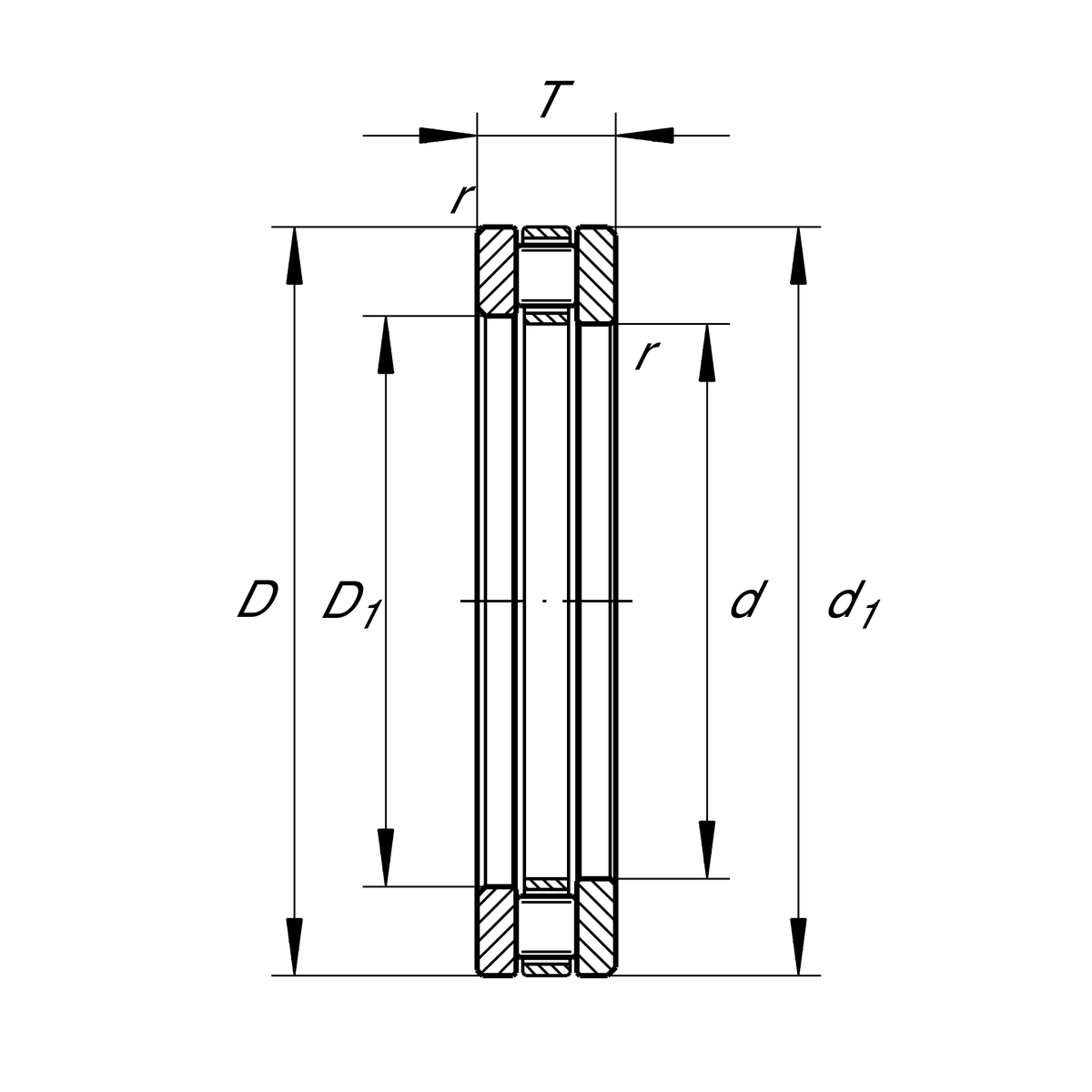
Main Dimensions & Performance Data
d
500 mm
Bore diameter
T
80 mm
Height
Ca
1,910,000 N
Basic dynamic load rating, axial
C0a
9,300,000 N
Basic static load rating, axial
Cua
700,000 N
Fatigue load limit, axial
nG
520 1/min
Limiting speed
nϑr
163 1/min
Reference speed
D
600 mm
Outside diameter
≈m
46.69 kg
Weight

Mounting dimensions
ra max
2.1 mm
Maximum recess radius

Dimensions
D1
505 mm
Bore diameter housing washer
d1
595 mm
Rip diameter shaft washer
rmin
2.1 mm
Minimum chamfer dimension

Temperature range
Tmin
-30 °C
Operating temperature min.
Tmax
120 °C
Operating temperature max.

Additional information
K811/500-M
Axial roller and cage assembly
GS811/500
Housing Washer
WS811/500
Shaft washer

Your current product variant
CageMBrass Cage
Thêm vào yêu cầu báo giá