PRODUCTS
- Home
- Giới thiệu sản phẩm
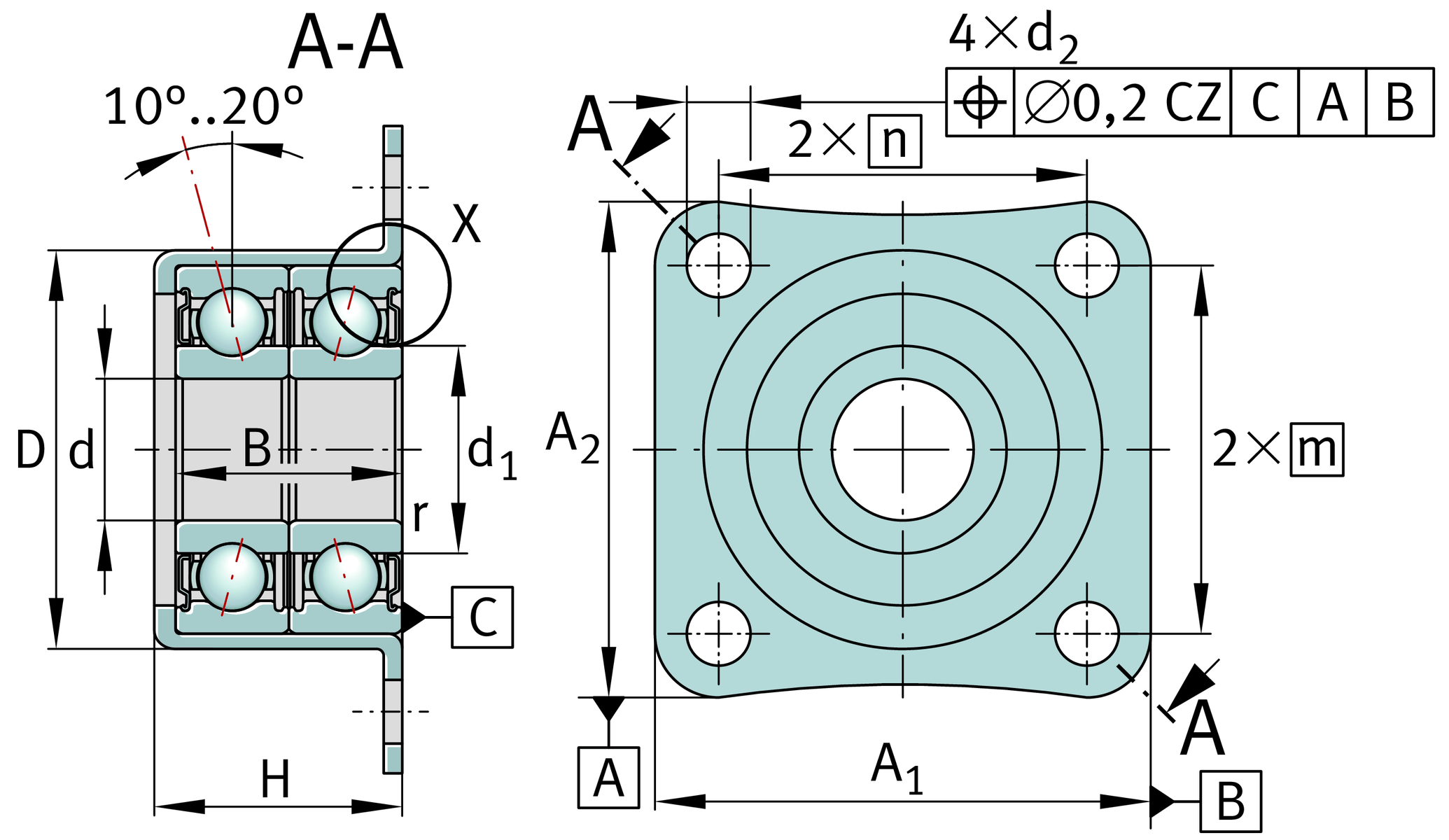
| d | 10 mm | Bore diameter |
0 mm | Bore diameter upper tolerance | |
-0.008 mm | Bore diameter lower tolerance | |
| D | 28.14 mm | Outside diameter bearing pot |
0.03 mm | Outside diameter bearing pot upper tolerance | |
-0.01 mm | Outside diameter bearing pot lower tolerance | |
| B | 16 mm | Width, inner ring |
0.25 mm | Inner ring width upper tolerance | |
-0.25 mm | Inner ring width lower tolerance | |
| Cr | 7,000 N | Basic dynamic load rating, radial |
| C0r | 3,900 N | Basic static load rating, radial |
| Ca | 2,430 N | Basic dynamic load rating, axial |
| C0a | 2,420 N | Basic static load rating, axial |
| Cur | 203 N | Fatigue load limit, radial |
| MRL | 0.12 Nm | Bearing friction torque |
| ≈m | 52.898 g | Weight |
| da | 12.4 mm | Diameter shaft shoulder |
| Dai | 22 mm | Support diameter outer ring inside |
| Daa min | 26 mm | Minimum support diameter outer ring outside |
M4 | Screw size | |
| n | 4 | Number of screws |
| t1 | 0.2 mm | Position bore in the housing |
| d1 | 13.55 mm | Rib diameter inner ring |
| rmin | 0.3 mm | Minimum chamfer dimension |
| d2 | 4.5 mm | Fixing boring diameter |
| A1 | 35 mm | Flange width |
| A2 | 35 mm | Height flange |
| m | 26 mm | Bore distance height |
| n | 26 mm | Bore distance width |
| H | 17.5 mm | Height housing |
0 mm | Height housing upper tolerance | |
-0.5 mm | Height housing lower tolerance |
| caL | 19 N/µm | Rigidity axial |
| Mm | 0.0075 kg*cm2 | Mass moment of inertia |
7 µm | Axial runout | |
ZM10 | Locknut 1 | |
| MA | 6 Nm | Tightening torque nut |
| Sealing | 2Z | Minimal gap seals on both sides |