PRODUCTS
- Home
- Giới thiệu sản phẩm
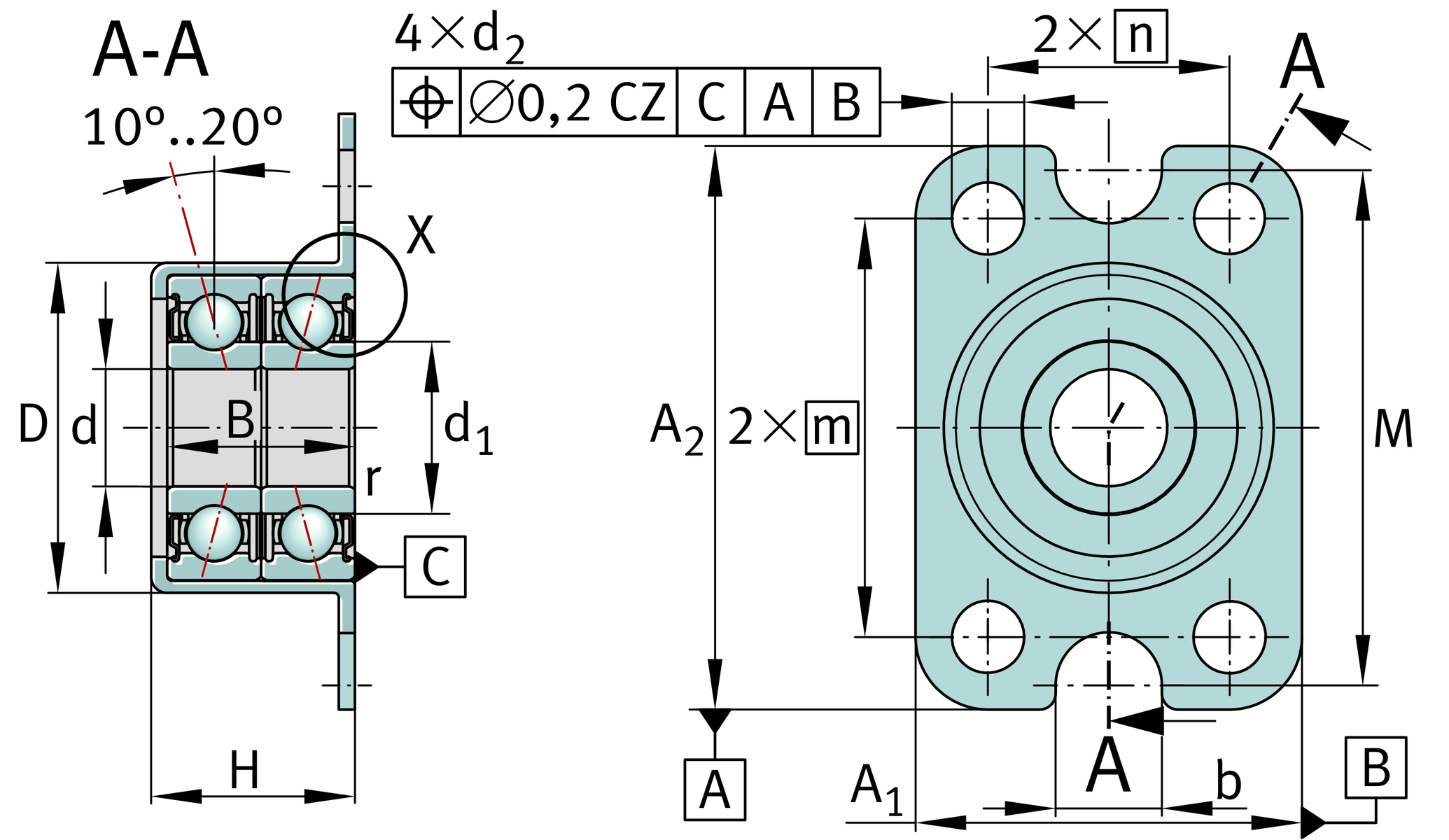
| d | 8 mm | Bore diameter |
0 mm | Bore diameter upper tolerance | |
-0.008 mm | Bore diameter lower tolerance | |
| D | 23.9 mm | Outside diameter bearing pot |
0.03 mm | Outside diameter bearing pot upper tolerance | |
-0.01 mm | Outside diameter bearing pot lower tolerance | |
| B | 14 mm | Width, inner ring |
0.25 mm | Inner ring width upper tolerance | |
-0.25 mm | Inner ring width lower tolerance | |
| Cr | 5,000 N | Basic dynamic load rating, radial |
| C0r | 2,700 N | Basic static load rating, radial |
| Ca | 2,060 N | Basic dynamic load rating, axial |
| C0a | 1,850 N | Basic static load rating, axial |
| Cur | 142 N | Fatigue load limit, radial |
| MRL | 0.08 Nm | Bearing friction torque |
| ≈m | 35.698 g | Weight |
| da | 10.4 mm | Diameter shaft shoulder |
| Dai | 18 mm | Support diameter outer ring inside |
| Daa min | 22 mm | Minimum support diameter outer ring outside |
M4 | Screw size | |
| n | 4 | Number of screws |
M6 | Screw size b | |
| n | 2 | Number of screws b |
| t1 | 0.2 mm | Position bore in the housing |
| d1 | 11 mm | Rib diameter inner ring |
| rmin | 0.3 mm | Minimum chamfer dimension |
| d2 | 4.5 mm | Fixing boring diameter |
| A1 | 28 mm | Flange width |
| A2 | 35 mm | Height flange |
| b | 6.6 mm | Wide fixing groove |
| m | 26 mm | Bore distance height |
| n | 20 mm | Bore distance width |
| M | 35 mm | Distance fixing groove |
| H | 15.5 mm | Height housing |
0 mm | Height housing upper tolerance | |
-0.5 mm | Height housing lower tolerance |
| caL | 16 N/µm | Rigidity axial |
| Mm | 0.0028 kg*cm2 | Mass moment of inertia |
7 µm | Axial runout | |
ZM08 | Locknut 1 | |
| MA | 4 Nm | Tightening torque nut |
| Sealing | 2Z | Minimal gap seals on both sides |