PRODUCTS

  • Home
  • Giới thiệu sản phẩm

FAG
UCFL214
Flanged housing unit UCFL214
Thêm vào yêu cầu báo giá
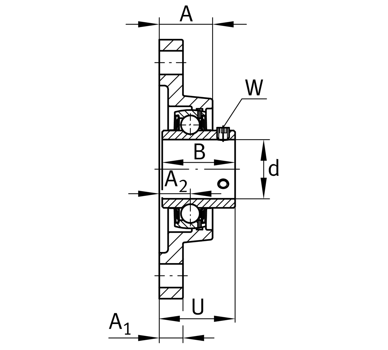
Main Dimensions & Performance Data
d
70 mm
Bore diameter
L
160 mm
Flange width
H
265 mm
Height flange
U
75.4 mm
Total height unit
Cr
66,000 N
Basic dynamic load rating, radial
C0r
44,000 N
Basic static load rating, radial
Cur
1,870 N
Fatigue load limit, radial
≈m
5.24 kg
Weight

Mounting dimensions
J
216 mm
Distance fixing bore
N
23 mm
Fixing bore
n
2
Number of screwing holes

Dimensions
A
54 mm
Height housing
A1
24 mm
Thickness of flange
A2
31 mm
Distance raceway
B
74.6 mm
Width
Q
M6
Connection thread for lubrication

Additional information
1
Number of housings
FL214
Housing
UK214-OSE
Bearing designation

Temperature range
Tmin
-20 °C
Operating temperature min.
Tmax
120 °C
Operating temperature max.

Your current product variant
MaterialGGGrey cast iron
Thêm vào yêu cầu báo giá