PRODUCTS

  • Home
  • Giới thiệu sản phẩm

FAG
UCFL213-41
Flanged housing unit UCFL213-41
Thêm vào yêu cầu báo giá
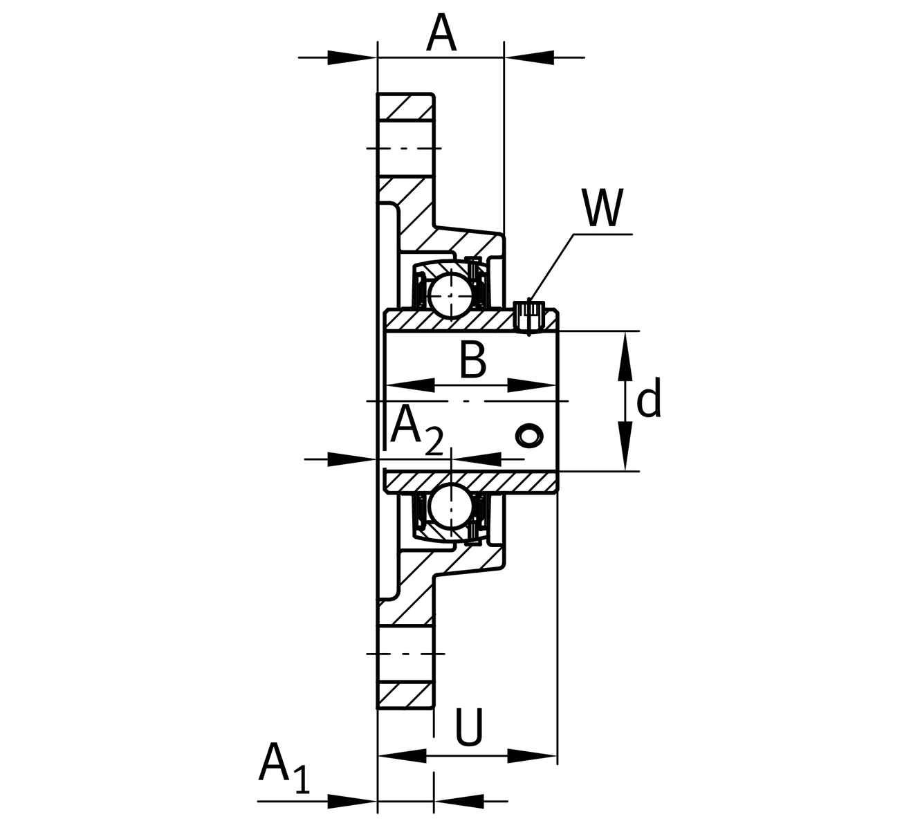
Main Dimensions & Performance Data
d
65.087 mm
Bore diameter
L
155 mm
Flange width
H
258 mm
Height flange
U
69.7 mm
Total height unit
Cr
61,000 N
Basic dynamic load rating, radial
C0r
40,000 N
Basic static load rating, radial
Cur
2,090 N
Fatigue load limit, radial
≈m
4.68 kg
Weight

Mounting dimensions
J
210 mm
Distance fixing bore
N
23 mm
Fixing bore
n
2
Number of screwing holes

Dimensions
A
50 mm
Height housing
A1
24 mm
Thickness of flange
A2
30 mm
Distance raceway
B
65.1 mm
Width
Q
M6
Connection thread for lubrication

Additional information
1
Number of housings
FL213
Housing
UC213-41
Bearing designation

Temperature range
Tmin
-20 °C
Operating temperature min.
Tmax
120 °C
Operating temperature max.

Your current product variant
MaterialGGGrey cast iron
Thêm vào yêu cầu báo giá