PRODUCTS

  • Home
  • Giới thiệu sản phẩm

INA
AMS80
Locknut socketadapter for precision locknuts AM AMS80
Thêm vào yêu cầu báo giá
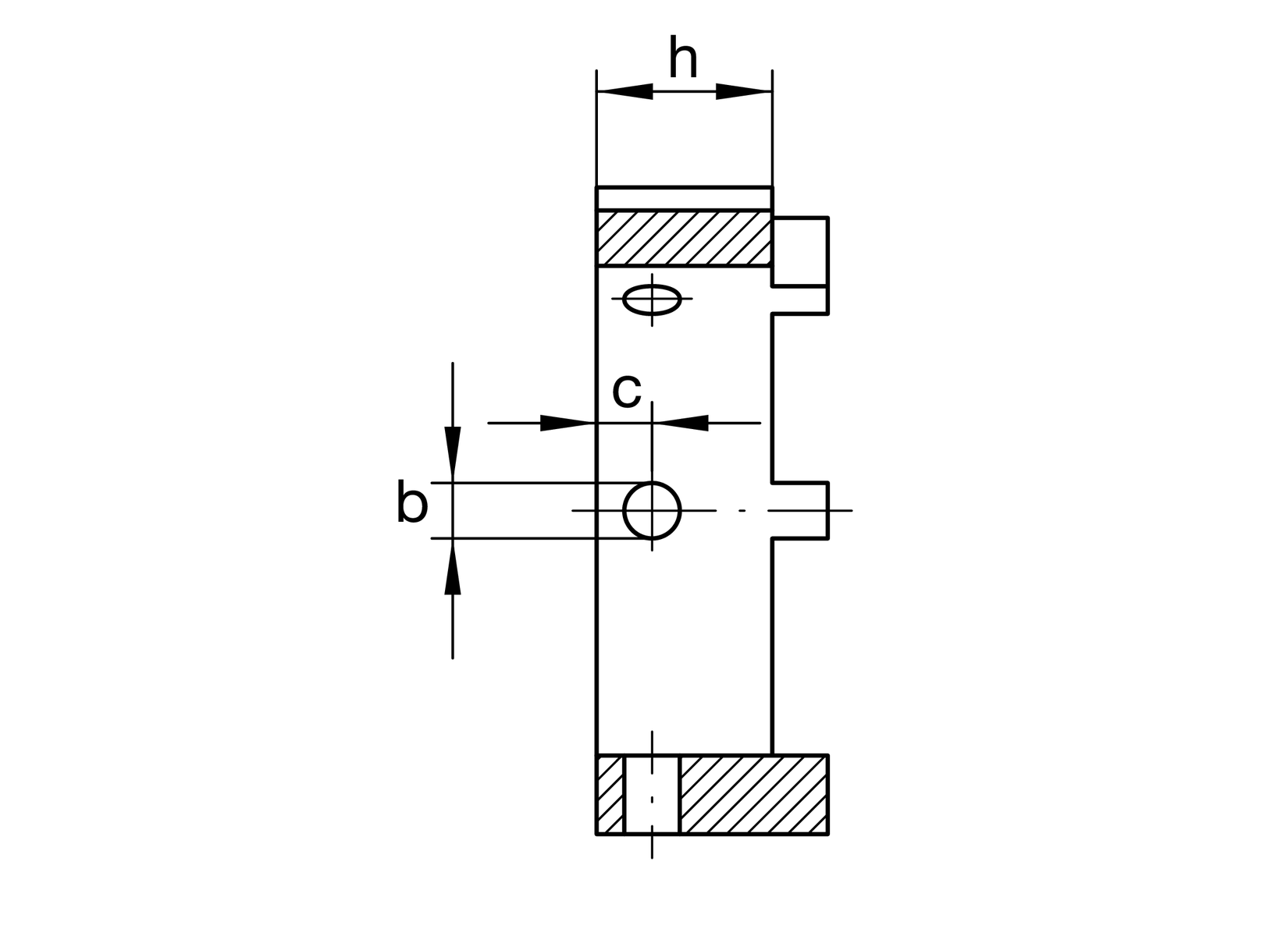
Dimensions
D
110 mm
Outside diameter
h
25 mm
Height
d
85 mm
Bore diameter
B
8 mm
Groove width
b
8 mm
bore diameter through hole
H11
Bore diameter through hole fit
c
10 mm
Distance bore
t
3.5 mm
groove depth
≈m
0.73 kg
Weight

Additional information
AM75, AM80, AM85
Suitable nut
Thêm vào yêu cầu báo giá