PRODUCTS

  • Home
  • Giới thiệu sản phẩm

INA
AMS70
Locknut socketadapter for precision locknuts AM AMS70
Thêm vào yêu cầu báo giá
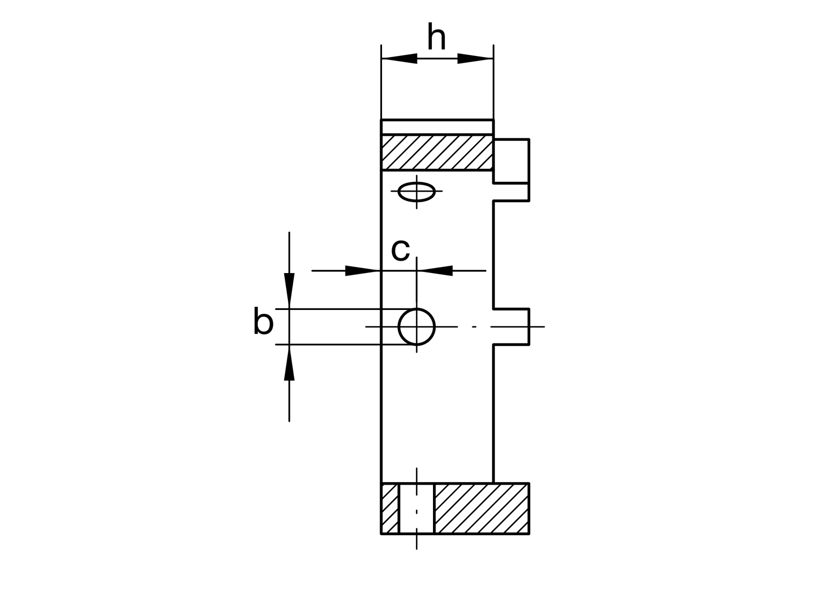
Dimensions
D
98 mm
Outside diameter
h
25 mm
Height
d
75 mm
Bore diameter
B
8 mm
Groove width
b
8 mm
bore diameter through hole
H11
Bore diameter through hole fit
c
10 mm
Distance bore
t
3.5 mm
groove depth
≈m
0.591 kg
Weight

Additional information
AM65, AM70
Suitable nut
Thêm vào yêu cầu báo giá