PRODUCTS

  • Home
  • Giới thiệu sản phẩm

INA
AY12-XL-NPP-B
Radial insert ball bearing AY12-XL-NPP-B
Thêm vào yêu cầu báo giá
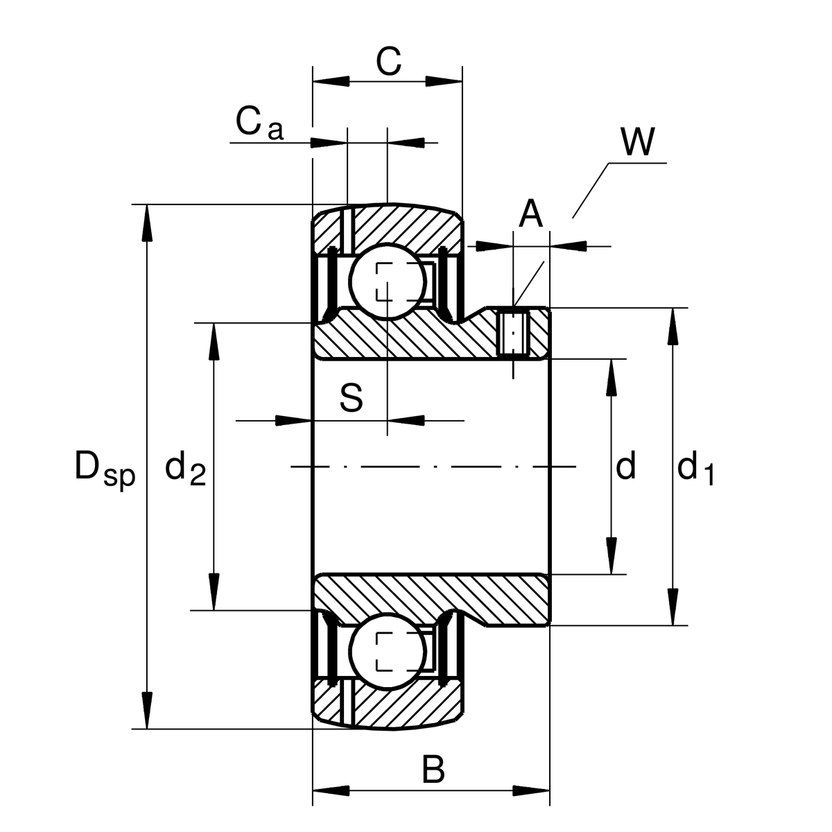
Main Dimensions & Performance Data
d
12 mm
Bore diameter
DSP
40 mm
Outside diameter
B
22 mm
Width
Cur
202 N
Fatigue load limit, radial
Cr
9,800 N
Basic dynamic load rating, radial
C0r
4,750 N
Basic static load rating, radial
≈m
0.1 kg
Weight

Dimensions
C
12 mm
Width, outer ring
S
6 mm
Distance raceway
d1
23.9 mm
Rib diameter inner ring
d2
22.9 mm
Rib diameter sealing inner ring
A
4 mm
Distance thread
W
2.5 mm
Width of flats

Calculation factors
f0
13
Calculation factor

Your current product variant
SealingNPPLip seal on both sides
Shape of outer surfaceB
Thêm vào yêu cầu báo giá