PRODUCTS

  • Home
  • Giới thiệu sản phẩm

INA
UZN6628
Guideways with three raceways, with slot UZN6628
Thêm vào yêu cầu báo giá
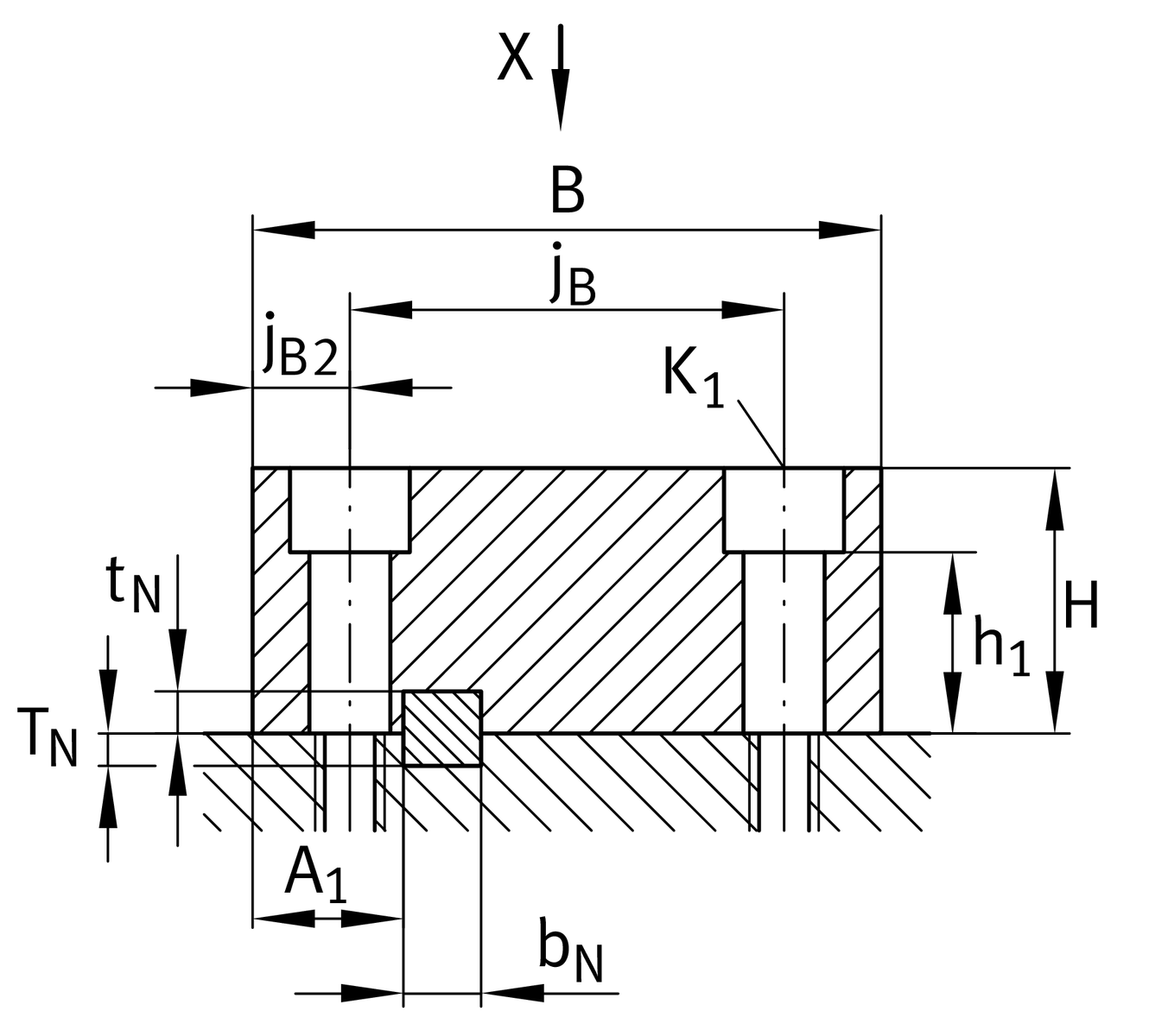
Main Dimensions & Performance Data
lmax
2,000 mm
length maximum 1
B
66 mm
width
Tol B
-0,1
tolerance
H
28 mm
height
Tol Hnull
-0,1
tolerance

Mounting dimensions
jB
44 mm
jB2
11 mm
jL
80 mm
aR min
15 mm
2
aR max
55 mm
2
aL min
15 mm
2
aL max
55 mm
2
h1
16.5 mm
A1
17.75 mm
slot position 3
bN
6.5 mm
width slot 3
TN
2.5 mm
3
tN
3.5 mm
3
5x5
square steel bar DIN EN 10278 4
K1
M8
fixing srews (DIN ISO 4762-12.9)
K1 MA
41 Nm
torques fixing screws 5
d1
10 mm
bore diameter

Related products
KVK15
suitable closing plug 6
RUS19069, RUS19105, RUSV30069-KS, RUSV30105-KS, PR14032, PR14044
suitable for linear roller bearing 7

Your current product variant
Size code6628
Thêm vào yêu cầu báo giá