PRODUCTS

  • Home
  • Giới thiệu sản phẩm

INA
UZN16260
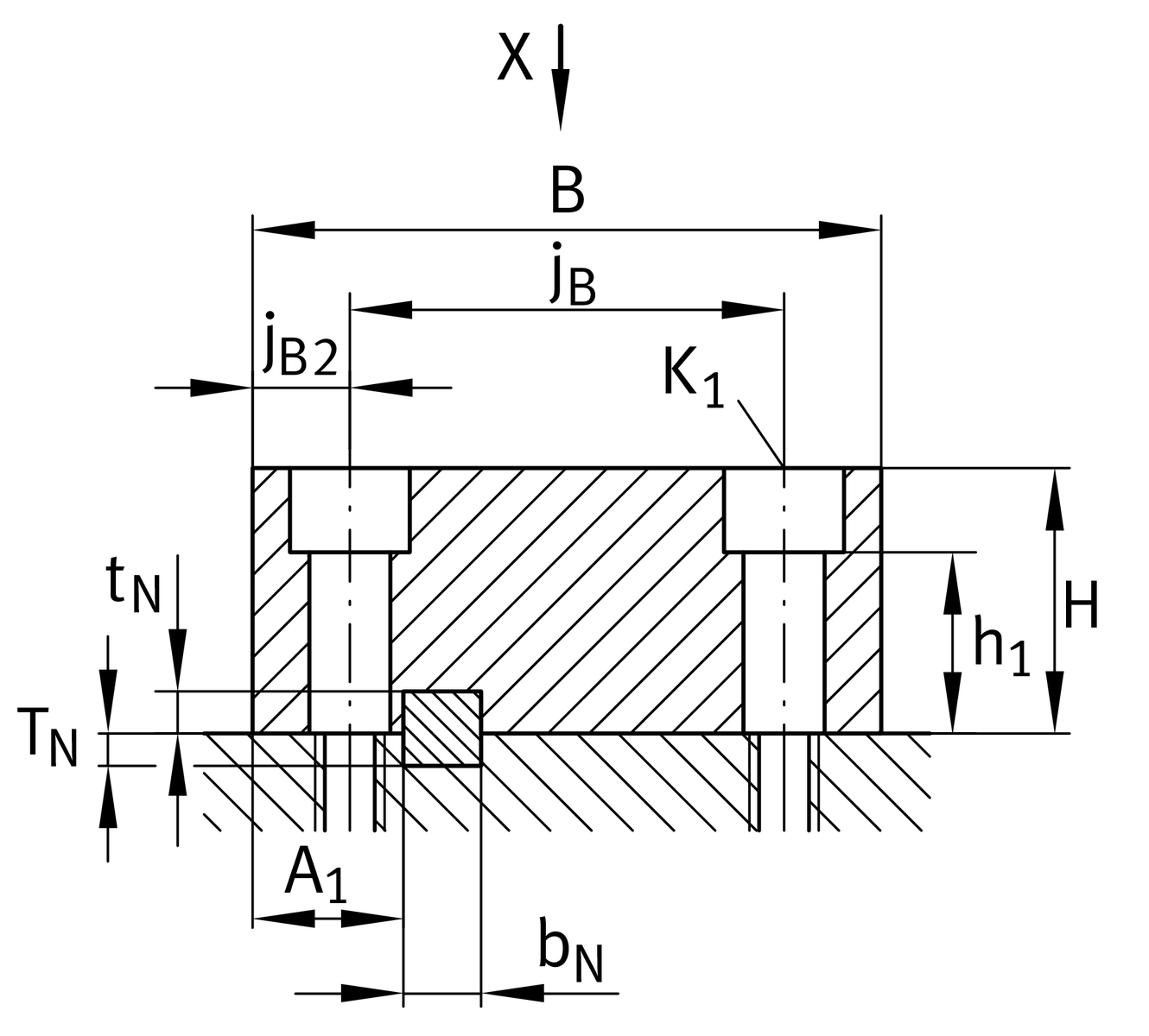
Guideways with three raceways, with slot UZN16260
Thêm vào yêu cầu báo giá
Main Dimensions & Performance Data
lmax
3,000 mm
length maximum 1
B
162 mm
width
Tol B
-0,1
tolerance
H
60 mm
height
Tol Hnull
-0,1
tolerance

Mounting dimensions
jB
110 mm
jB2
26 mm
jL
80 mm
aR min
20 mm
2
aR max
60 mm
2
aL min
20 mm
2
aL max
60 mm
2
h1
35.5 mm
A1
37.25 mm
slot position 3
bN
18 mm
width slot 3
TN
8 mm
3
tN
9.5 mm
3
16x16
square steel bar DIN EN 10278 4
K1
M16
fixing srews (DIN ISO 4762-12.9)
K1 MA
350 Nm
torques fixing screws 5
d1
18.5 mm
bore diameter

Related products
KA26,5-M
suitable closing plug 6
RUS65210, PR14135
suitable for linear roller bearing 7

Your current product variant
Size code16260
Thêm vào yêu cầu báo giá