PRODUCTS

  • Home
  • Giới thiệu sản phẩm

INA
UFB14018
Guideways with one raceway, for screw mounting UFB14018
Thêm vào yêu cầu báo giá
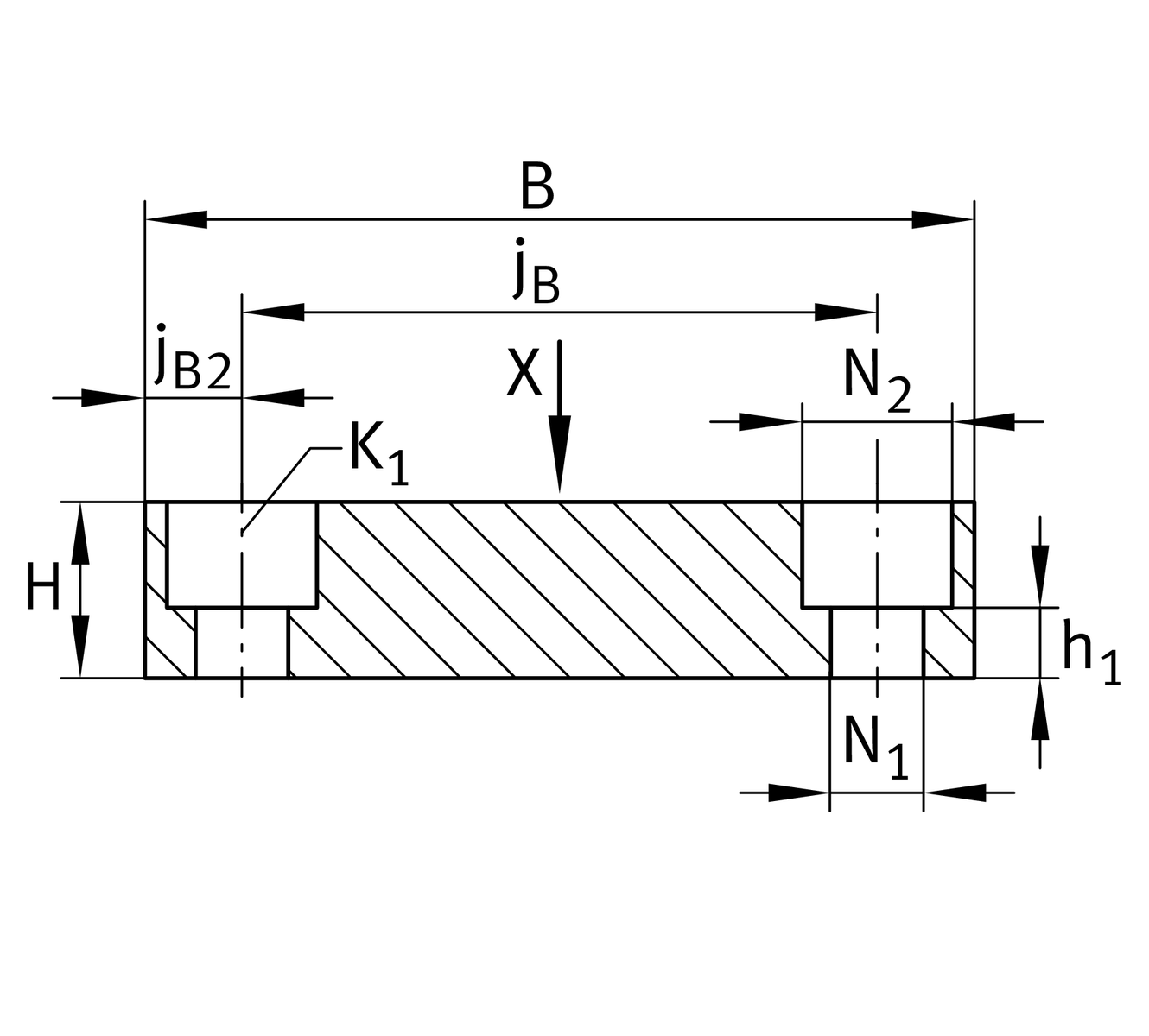
Main Dimensions & Performance Data
lmax
3,000 mm
length maximum 1
B
140 mm
width
Tol B
-0,1
tolerance
H
18 mm
height
Tol H
-0,1
tolerance

Mounting dimensions
jB
118 mm
jB2
11 mm
jL
80 mm
aR min
15 mm
aR max
55 mm
aL min
15 mm
aL max
55 mm
h1
6.5 mm
N2
15 mm
K1
M8
fixing srews (DIN ISO 4762-12.9) 2
d1
10 mm
bore diameter

Related products
RUS85280, PR14182
suitable for linear roller bearing 3

Your current product variant
Size code14018
Thêm vào yêu cầu báo giá