PRODUCTS

  • Home
  • Giới thiệu sản phẩm

INA
UFB10615
Guideways with one raceway, for screw mounting UFB10615
Thêm vào yêu cầu báo giá
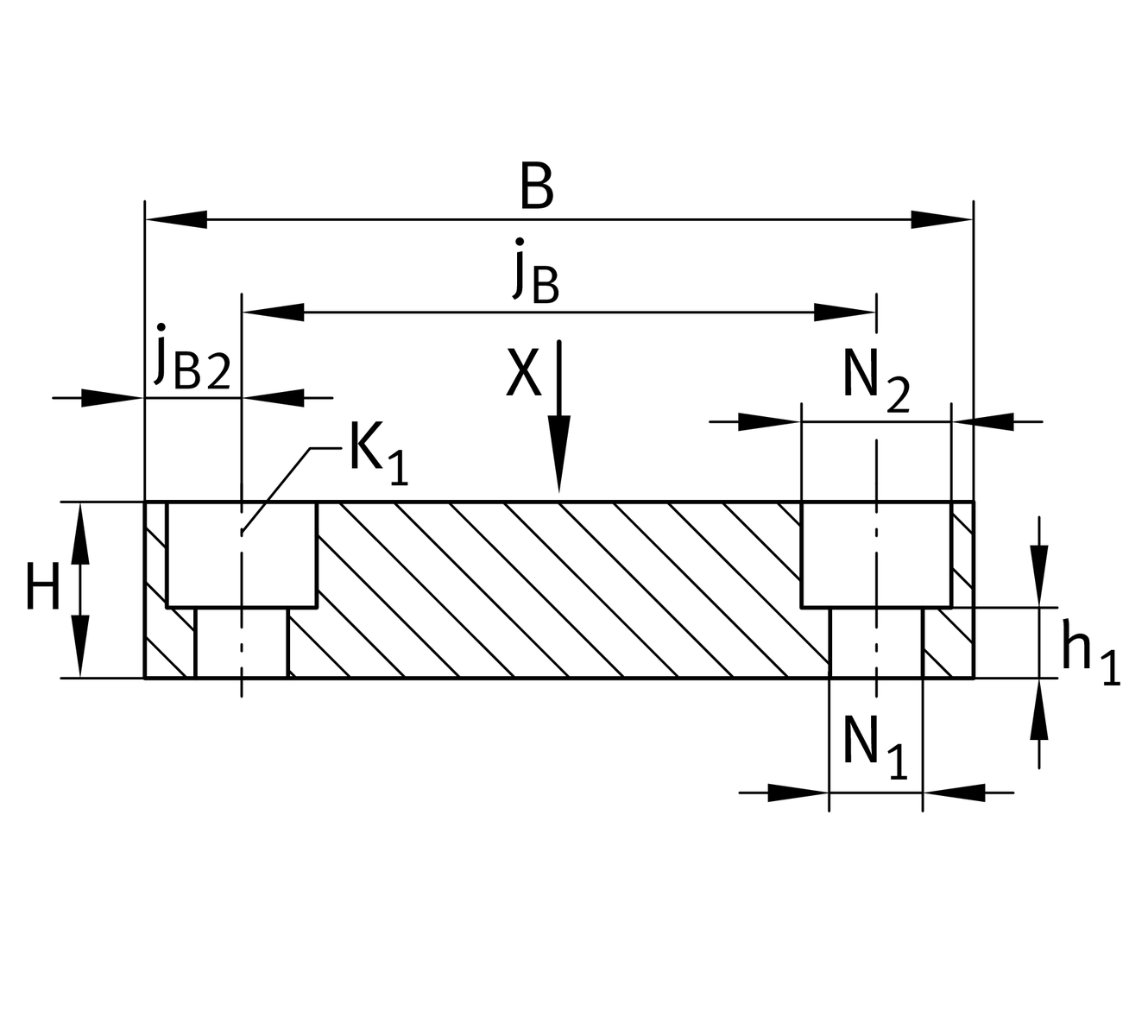
Main Dimensions & Performance Data
lmax
3,000 mm
length maximum 1
B
106 mm
width
Tol B
-0,1
tolerance
H
15 mm
height
Tol H
-0,1
tolerance

Mounting dimensions
jB
90 mm
jB2
8 mm
jL
80 mm
aR min
10 mm
aR max
50 mm
aL min
10 mm
aL max
50 mm
h1
6.5 mm
N2
11.5 mm
d1
7.5 mm
bore diameter

Related products
RUS65210, PR14135
suitable for linear roller bearing 2

Your current product variant
Size code10615
Thêm vào yêu cầu báo giá