PRODUCTS

  • Home
  • Giới thiệu sản phẩm

FAG
20212-TVP
Barrel roller bearing 20212-TVP
Thêm vào yêu cầu báo giá
Main Dimensions & Performance Data
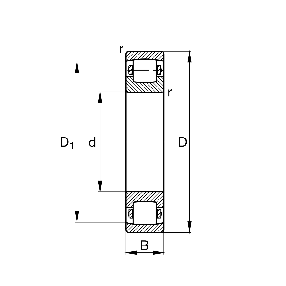
d
60 mm
Bore diameter
D
110 mm
Outside diameter
B
22 mm
Width
Cr
85,000 N
Basic dynamic load rating, radial
C0r
100,000 N
Basic static load rating, radial
Cur
11,000 N
Fatigue load limit, radial
nG
6,600 1/min
Limiting speed
≈m
0.799 kg
Weight

Mounting dimensions
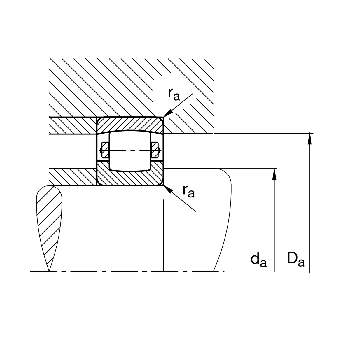
da min
69 mm
Minimum diameter shaft shoulder
Da max
101 mm
Maximum diameter of housing shoulder
ra max
1.5 mm
Maximum recess radius

Dimensions
rmin
1.5 mm
Minimum chamfer dimension
D1
97.8 mm
Bore diameter outer ring

Temperature range
Tmin
-30 °C
Operating temperature min.
Tmax
120 °C
Operating temperature max.

Your current product variant
Bore typeZCylindrical
CageTVPPlastic cage
Radial internal clearanceCN (Group N)Normal internal clearance
Thêm vào yêu cầu báo giá