PRODUCTS

  • Home
  • Giới thiệu sản phẩm

FAG
16010-A
Deep groove ball bearing 16010-A
Thêm vào yêu cầu báo giá
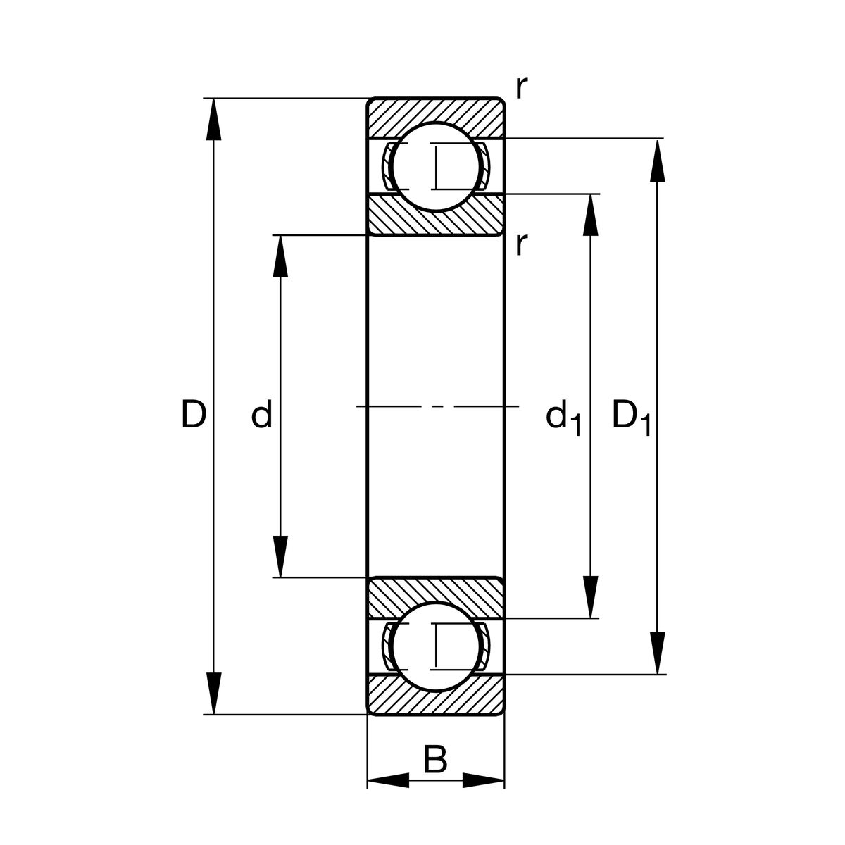
Main Dimensions & Performance Data
d
50 mm
Bore diameter
D
80 mm
Outside diameter
B
10 mm
Width
Cr
15,990 N
Basic dynamic load rating, radial
C0r
13,230 N
Basic static load rating, radial
Cur
760 N
Fatigue load limit, radial
nG
12,200 1/min
Limiting speed
nϑr
6,300 1/min
Reference speed
≈m
0.175 kg
Weight

Mounting dimensions
da min
53.2 mm
Minimum diameter shaft shoulder
Da max
76.8 mm
Maximum diameter of housing shoulder
ra max
0.6 mm
Maximum fillet radius

Dimensions
rmin
0.6 mm
Minimum chamfer dimension
D1
72.1 mm
Shoulder diameter outer ring
d1
61.9 mm
Shoulder diameter inner ring

Temperature range
Tmin
-30 °C
Operating temperature min.
Tmax
120 °C
Operating temperature max.

Calculation factors
f0
16.3
Calculation factor

Your current product variant
Changed internal designADesign variant A
SealingWithoutNot sealed
CageJNsteel sheet metal
Tolerance classPNNormal (PN)
Dimensional / heat stabilization SNRings dimensional stabilized up to 120°
LubricantWithoutBearing not greased
Bore typeZCylindrical
Radial internal clearanceCN (Group N)Normal internal clearance
Thêm vào yêu cầu báo giá