PRODUCTS

  • Home
  • Giới thiệu sản phẩm

FAG
16011-A
Deep groove ball bearing 16011-A
Thêm vào yêu cầu báo giá
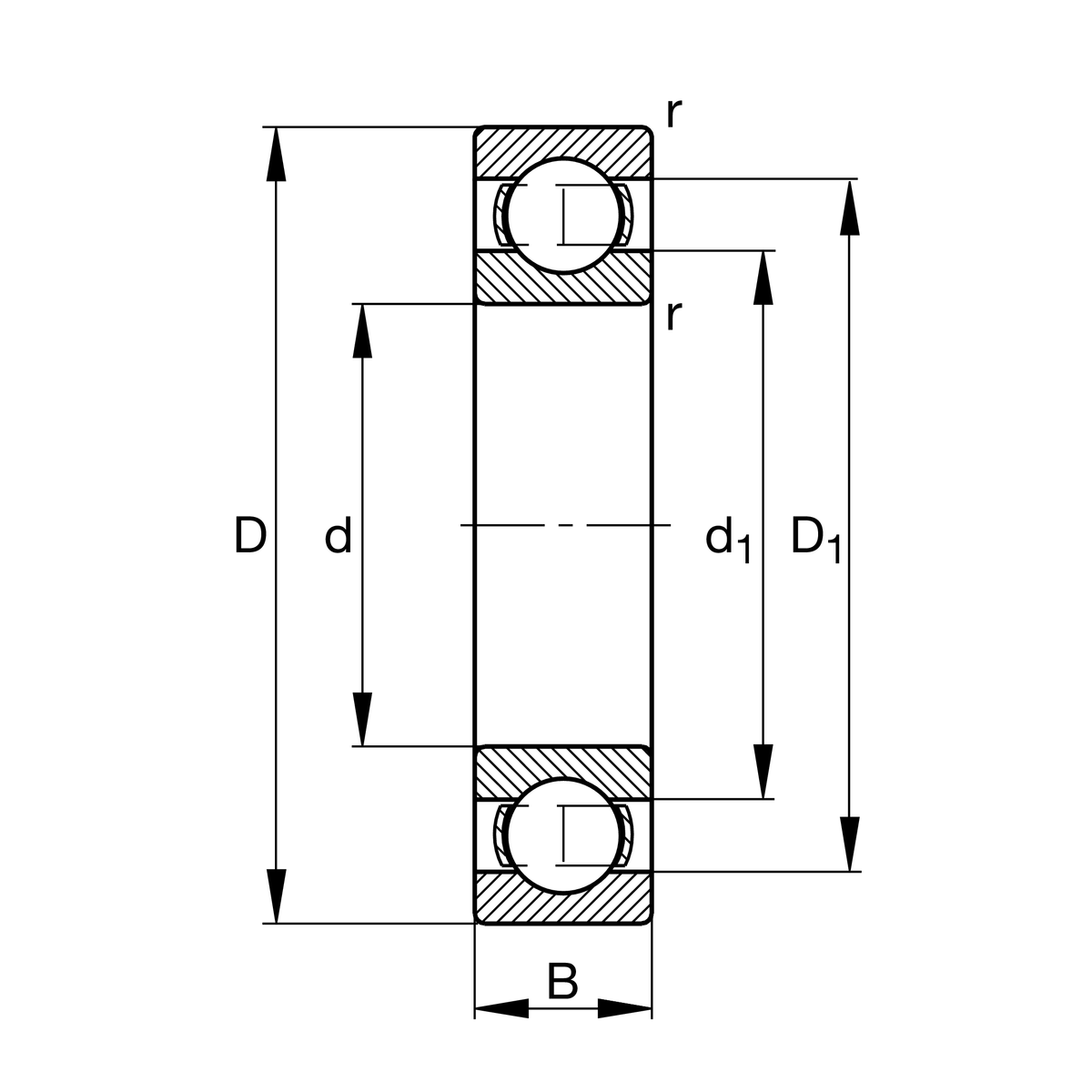
Main Dimensions & Performance Data
d
55 mm
Bore diameter
D
90 mm
Outside diameter
B
11 mm
Width
Cr
19,300 N
Basic dynamic load rating, radial
C0r
16,300 N
Basic static load rating, radial
Cur
940 N
Fatigue load limit, radial
nG
10,900 1/min
Limiting speed
nϑr
6,000 1/min
Reference speed
≈m
0.259 kg
Weight

Mounting dimensions
da min
58.2 mm
Minimum diameter shaft shoulder
Da max
86.8 mm
Maximum diameter of housing shoulder
ra max
0.6 mm
Maximum fillet radius

Dimensions
rmin
0.6 mm
Minimum chamfer dimension
D1
78.61 mm
Shoulder diameter outer ring
d1
69.6 mm
Shoulder diameter inner ring

Temperature range
Tmin
-30 °C
Operating temperature min.
Tmax
120 °C
Operating temperature max.

Calculation factors
f0
16.2
Calculation factor

Your current product variant
Changed internal designADesign variant A
SealingWithoutNot sealed
CageJNsteel sheet metal
Tolerance classPNNormal (PN)
Dimensional / heat stabilization SNRings dimensional stabilized up to 120°
LubricantWithoutBearing not greased
Bore typeZCylindrical
Radial internal clearanceCN (Group N)Normal internal clearance
Thêm vào yêu cầu báo giá