PRODUCTS

  • Home
  • Giới thiệu sản phẩm

INA
CSXC110
Four-point contact bearing CSXC110
Thêm vào yêu cầu báo giá
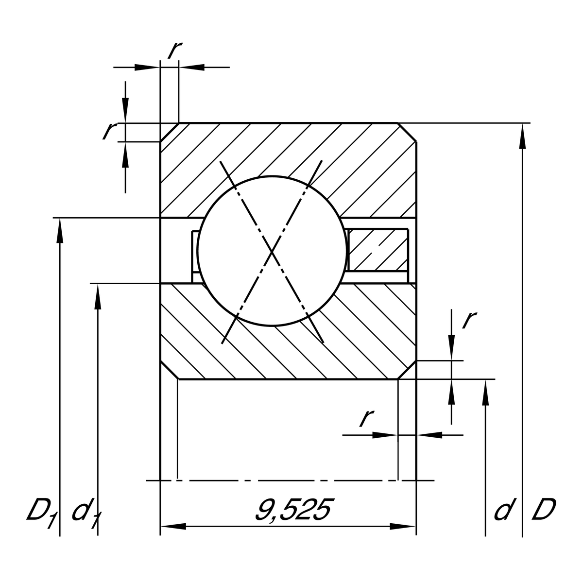
Main Dimensions & Performance Data
d
279.4 mm
Bore diameter
D
298.45 mm
Outside diameter
B
9.525 mm
Width
Cr
14,800 N
Basic dynamic load rating, radial
C0r
38,500 N
Basic static load rating, radial
nG
980 1/min
Limiting speed
≈m
0.53 kg
Weight

Dimensions
rmin
1 mm
Minimum chamfer dimension
d1
286.4 mm
Shoulder diameter inner ring
D1
291.4 mm
Shoulder diameter outer ring
α
30 °
Contact angle

Temperature range
Tmin
-30 °C
Operating temperature min.
Tmax
120 °C
Operating temperature max.

Your current product variant
Logistical codeHLE-
SealingWithoutNot sealed
CageYHbrass sheet metal
Tolerance classPL1Class PL1, Normal
LubricantWithoutBearing not greased
Radial internal clearancePL1Class PL1, Normal
Thêm vào yêu cầu báo giá