PRODUCTS

  • Home
  • Giới thiệu sản phẩm

INA
VU250380
Slewing Ring, Four Point contact bearing, without gear teeth VU250380
Thêm vào yêu cầu báo giá
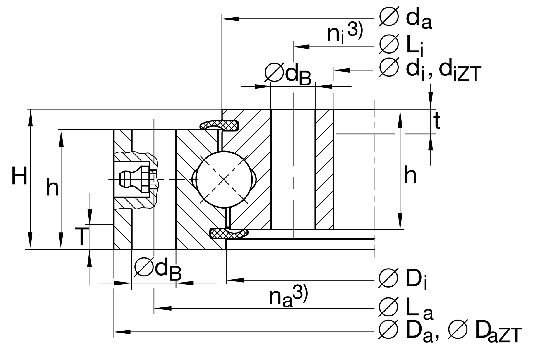
Main Dimensions & Performance Data
di
275 mm
Inner diameter inner ring
0.5 mm
Inner diameter inner ring lower tolerance
0.5 mm
Inner diameter inner ring upper tolerance
H
55 mm
Height
Da
485 mm
Outside Diameter
0.8 mm
Outside diameter lower tolerance
0.8 mm
Outside diameter upper tolerance
ha
50 mm
Width outer ring
hi
50 mm
Width inner ring
0.06 mm
Normal radial clearance min.
0.25 mm
Normal radial clearance max.
0.11 mm
Normal axial clearance min.
0.41 mm
Normal axial clearance max.
≈m
44.012 kg
Weight

Dimensions
Di
379 mm
Inner diameter outer ring
da
381 mm
Outside diameter inner ring
dB
18 mm
Fixing bore
La
453 mm
Pitchcircle diameter fixing holes outer ring
na
16
Number of fixing holes in outer ring
Li
307 mm
Pitchcircle diameter fixing holes inner ring
ni
16
Number of fixing holes in inner ring
Fr zul
124,800 N
Max. radial load fixing screws (friction locking)

Temperature range
Tmin
-25 °C
Operating temperature min.
Tmax
80 °C
Operating temperature max.

Calculation factors
Ca
280,000 N
Basic dynamic load rating, axial
C0a
790,000 N
Basic static load rating, axial
Cr
255,000 N
Basic dynamic load rating, radial (for radial load only)
C0r
365,000 N
Basic static load rating, radial (for radial load only)
Thêm vào yêu cầu báo giá