PRODUCTS

  • Home
  • Giới thiệu sản phẩm

INA
VU140325
Slewing Ring, Four Point contact bearing, without gear teeth VU140325
Thêm vào yêu cầu báo giá
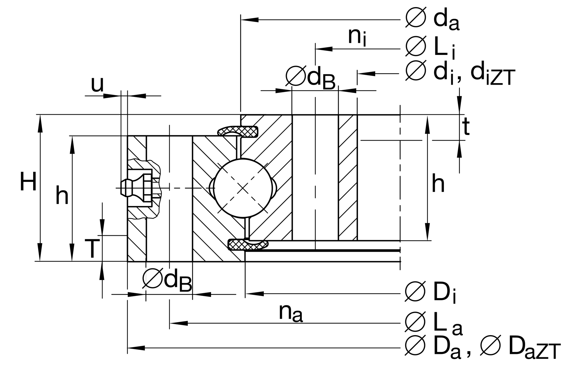
Main Dimensions & Performance Data
di
270 mm
Inner diameter inner ring
0.5 mm
Inner diameter inner ring lower tolerance
0.5 mm
Inner diameter inner ring upper tolerance
H
35 mm
Height
Da
380 mm
Outside Diameter
0.5 mm
Outside diameter lower tolerance
0.5 mm
Outside diameter upper tolerance
ha
30 mm
Width outer ring
hi
30 mm
Width inner ring
0.04 mm
Normal radial clearance min.
0.14 mm
Normal radial clearance max.
0.07 mm
Normal axial clearance min.
0.23 mm
Normal axial clearance max.
≈m
11.325 kg
Weight

Dimensions
Di
324 mm
Inner diameter outer ring
da
326 mm
Outside diameter inner ring
dB
11 mm
Fixing bore
La
360 mm
Pitchcircle diameter fixing holes outer ring
na
24
Number of fixing holes in outer ring
Li
290 mm
Pitchcircle diameter fixing holes inner ring
ni
24
Number of fixing holes in inner ring
Fr zul
67,200 N
Max. radial load fixing screws (friction locking)
umax
3 mm
Max. protrusion lubrication nipple

Temperature range
Tmin
-25 °C
Operating temperature min.
Tmax
80 °C
Operating temperature max.

Calculation factors
Ca
115,000 N
Basic dynamic load rating, axial
C0a
670,000 N
Basic static load rating, axial
Cr
104,000 N
Basic dynamic load rating, radial (for radial load only)
C0r
310,000 N
Basic static load rating, radial (for radial load only)
Thêm vào yêu cầu báo giá