PRODUCTS

  • Home
  • Giới thiệu sản phẩm

INA
CSEF100
Angular contact ball bearing CSEF100
Thêm vào yêu cầu báo giá
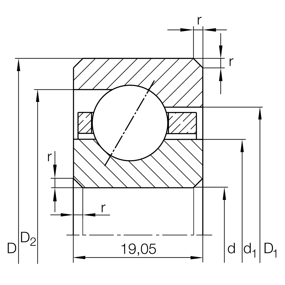
Main Dimensions & Performance Data
d
254 mm
Bore diameter
D
292.1 mm
Outside diameter
B
19.05 mm
Width
Cr
33,000 N
Basic dynamic load rating, radial
C0r
58,000 N
Basic static load rating, radial
nG
1,980 1/min
Limiting speed
≈m
1.99 kg
Weight

Dimensions
rmin
2 mm
Minimum chamfer dimension
d1
268.1 mm
Shoulder diameter inner ring
D1
278 mm
Shoulder diameter on outer ring wide side face
D2
282.1 mm
Shoulder diameter on outer ring small side face
α
30 °
Contact angle

Temperature range
Tmin
-30 °C
Operating temperature min.
Tmax
120 °C
Operating temperature max.

Your current product variant
Logistical codeHLE-
SealingWithoutNot sealed
CageYPbrass sheet metal
Tolerance classPL1Class PL1, Normal
LubricantWithoutBearing not greased
Thêm vào yêu cầu báo giá