PRODUCTS

  • Home
  • Giới thiệu sản phẩm

INA
CSCF100
Deep groove ball bearing CSCF100
Thêm vào yêu cầu báo giá
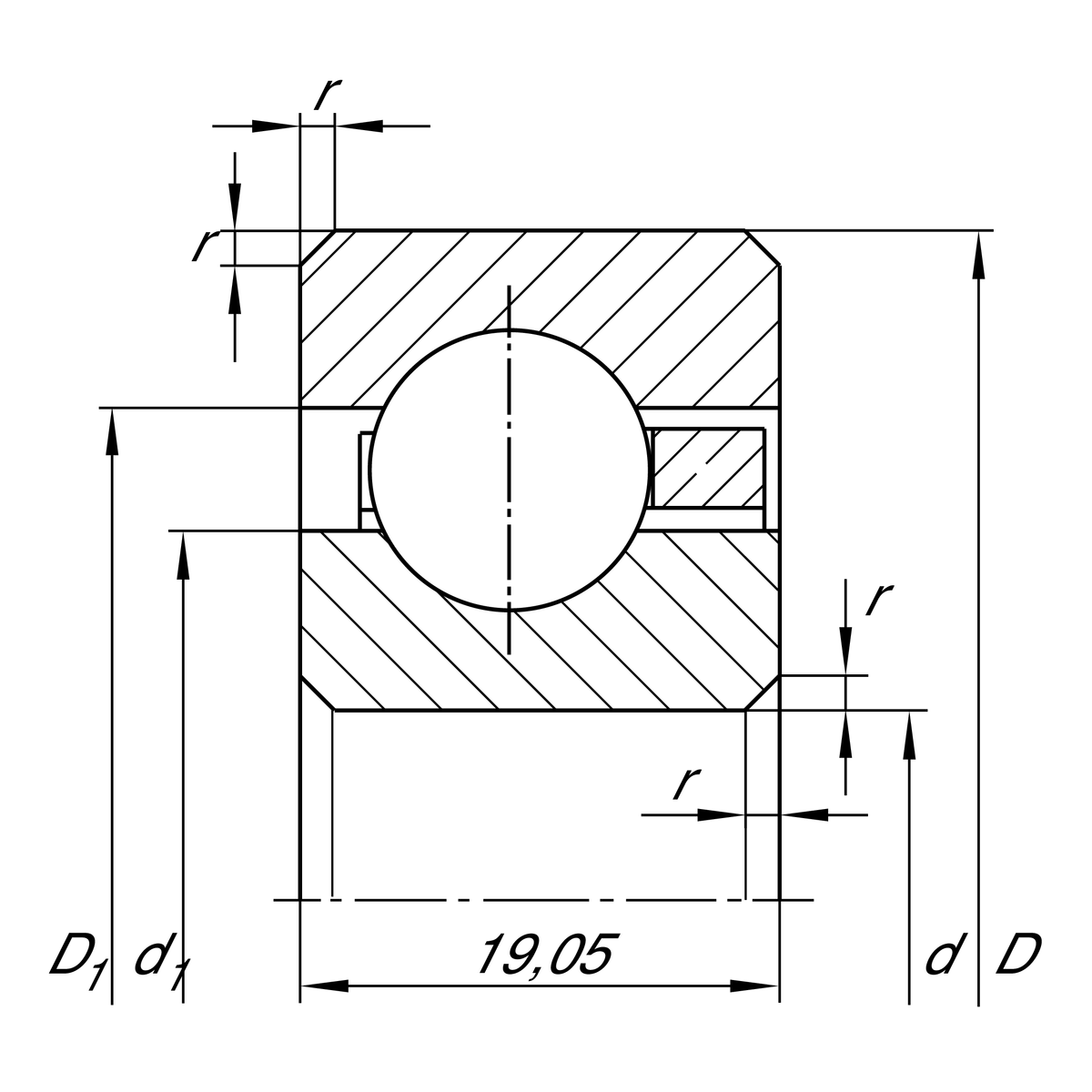
Main Dimensions & Performance Data
d
254 mm
Bore diameter
D
292.1 mm
Outside diameter
B
19.05 mm
Width
Cr
32,500 N
Basic dynamic load rating, radial
C0r
48,000 N
Basic static load rating, radial
nG
1,970 1/min
Limiting speed
≈m
1.95 kg
Weight

Dimensions
rmin
2 mm
Minimum chamfer dimension
d1
268.1 mm
Shoulder diameter inner ring
D1
278 mm
Shoulder diameter outer ring

Temperature range
Tmin
-30 °C
Operating temperature min.
Tmax
120 °C
Operating temperature max.

Your current product variant
Logistical codeHLE-
SealingWithoutNot sealed
CageYHbrass sheet metal
Tolerance classPL1Class PL1, Normal
Radial internal clearancePL1Class PL1, Normal
LubricantWithoutBearing not greased
Thêm vào yêu cầu báo giá