PRODUCTS

  • Home
  • Giới thiệu sản phẩm

FAG
22356-BEA-XL-K-MB1-C3
Spherical Roller Bearing 22356-BEA-XL-K-MB1-C3
Thêm vào yêu cầu báo giá
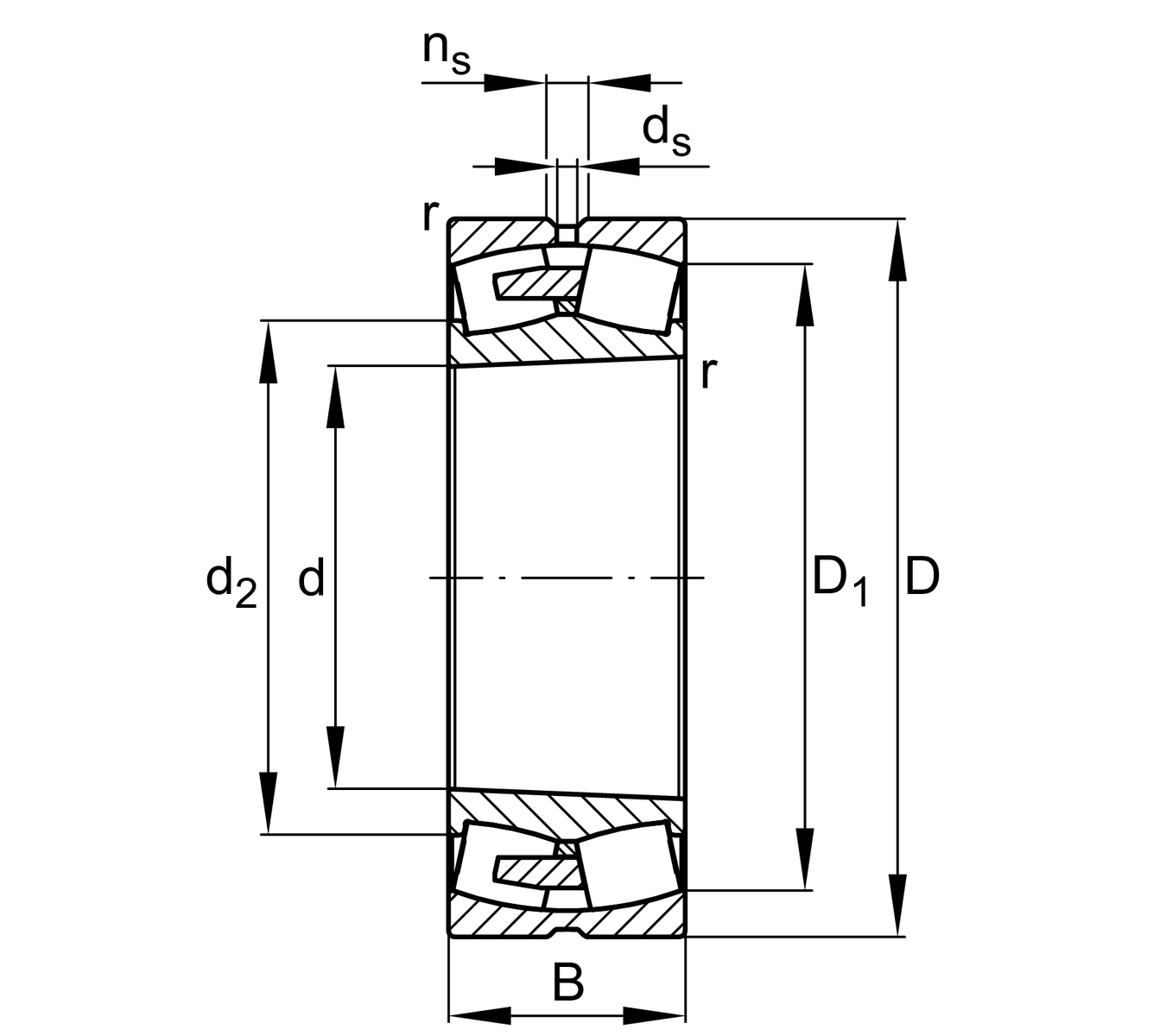
Main Dimensions & Performance Data
d
280 mm
Bore diameter
D
580 mm
Outside diameter
B
175 mm
Width
Cr
4,150,000 N
Basic dynamic load rating, radial
C0r
5,300,000 N
Basic static load rating, radial
Cur
405,000 N
Fatigue load limit, radial
nG
1,280 1/min
Limiting speed
nϑr
670 1/min
Reference speed
≈m
216.5 kg
Weight

Mounting dimensions
da min
306 mm
Minimum diameter shaft shoulder
Da max
554 mm
Maximum diameter of housing shoulder
ra max
5 mm
Maximum recess radius
da max
349 mm
Maximum diameter of shaft shoulder
db min
299 mm
Minimum cavity diameter of the sleeve
Ba min
12 mm
Minimum cavity width of the sleeve

Dimensions
rmin
6 mm
Minimum chamfer dimension
D1
495.5 mm
Bore diameter outer ring
ds
12.5 mm
Diameter lubrication hole
ns
23.5 mm
Width of lubricating groove

Temperature range
Tmin
-30 °C
Operating temperature min.
Tmax
200 °C
Operating temperature max.

Calculation factors
e
0.31
Limiting value of Fa/Fr for the applicability of diff. Values of factors X and Y
Y1
2.18
Dynamic axial load factor
Y2
3.24
Dynamic axial load factor
Y0
2.13
Static axial load factor

Additional information
H2356X
Adapter sleeve
AH2356G
Withdrawal sleeve

Your current product variant
DesignBEAwith lose center lip ring
Bore typeKTapered, taper 1:12
CageMB1Solid brass cage
Radial internal clearanceC3 (Group 3)Internal clearance larger than CN
Relubrication featureStandard
Thêm vào yêu cầu báo giá