PRODUCTS
- Home
- Giới thiệu sản phẩm
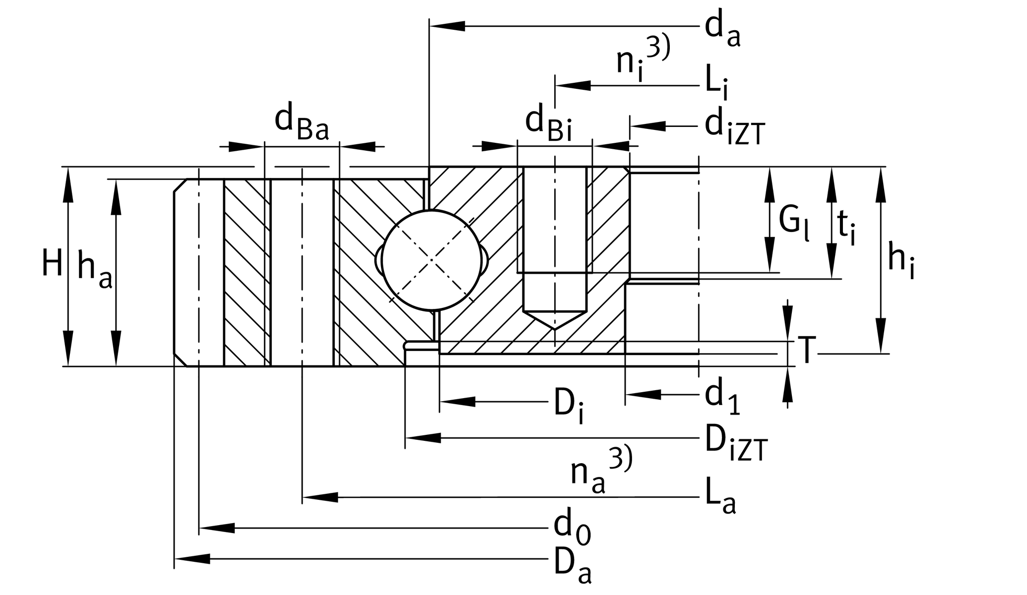
| di | 240 mm | Bore Diameter |
0.5 mm | Bore diameter upper tolerance | |
-0.5 mm | Bore diameter lower tolerance | |
| diZT | 238 mm | Diameter centring inner ring |
0 mm | Diameter centring inner ring upper tolerance | |
-0.07 mm | Diameter centring inner ring lower tolerance | |
| H | 32 mm | Height |
| Da | 384 mm | Outside Diameter |
| Di ZT | 310 mm | Diameter centring outer ring |
0 mm | Diameter centring outer ring upper tolerance | |
-0.08 mm | Diameter centring outer ring lower tolerance | |
| T | 3 mm | Length centering outer ring |
| t | 18 mm | Length centering inner ring |
| ha | 30 mm | Width outer ring |
| hi | 30 mm | height of inner ring |
0.04 mm | Normal radial clearance min. | |
0.16 mm | Normal radial clearance max. | |
0.07 mm | Normal axial clearance min. | |
0.26 mm | Normal axial clearance max. | |
| ≈m | 13.7 kg | Weight |
| da | 302.3 mm | Outside diameter inner ring |
| ni | 20 | Number of fixing holes in inner ring |
| Li | 262 mm | Pitchcircle diameter fixing holes inner ring |
| na | 20 | Number of fixing holes in outer ring |
| La | 343 mm | Pitchcircle diameter fixing holes outer ring |
| dBa | M12 | Tread fixing bore |
| Gl | 18 mm | Thread depth fixing hole |
| Fr zul | 82,600 N | Max. radial load fixing screws (friction locking) |
| d0 | 376 mm | Pitch circle diameter gearing |
| m | 4 mm | Modul of gearing |
| z | 94 | Number of teeth |
| b | 30 mm | Width gearing |
| Fz norm | 11,000 N | Max. tooth force root fatigue strenght (at a shock factor of 1,2) |
| Fz max | 16,100 N | Max. tooth force against tooth fracture (at a shock factor of 1,35) |
| Tmin | -25 °C | Operating temperature min. |
| Tmax | 80 °C | Operating temperature max. |
| Ca | 136,000 N | Basic dynamic load rating, axial |
| C0a | 590,000 N | Basic static load rating, axial |
| Cr | 123,000 N | Basic dynamic load rating, radial |
| C0r | 270,000 N | Basic static load rating, radial |
| Gearing | N | Normalized gear teeth on bearing ring |