PRODUCTS

  • Home
  • Giới thiệu sản phẩm

FAG
16056-MA
Deep groove ball bearing 16056-MA
Thêm vào yêu cầu báo giá
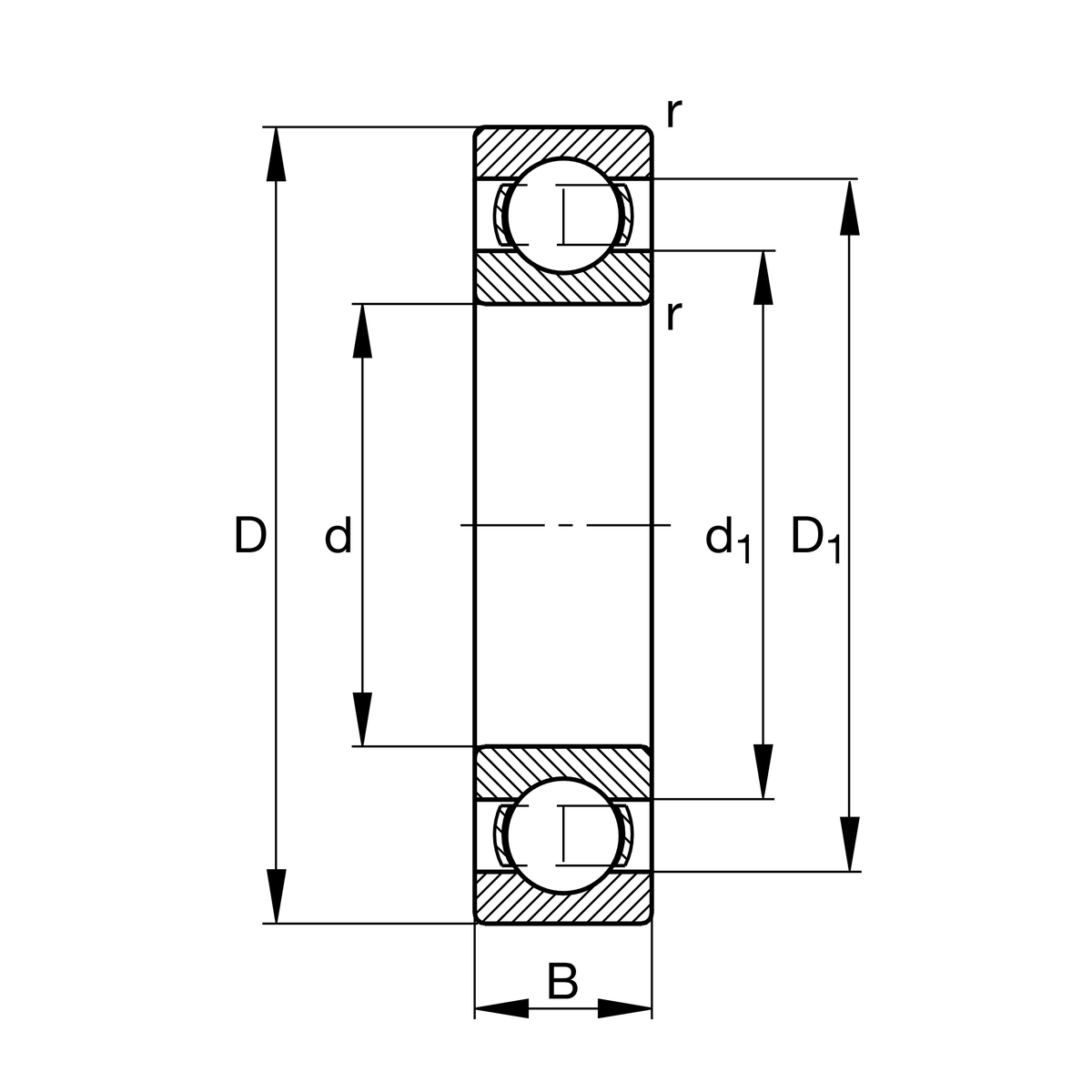
Main Dimensions & Performance Data
d
280 mm
Bore diameter
D
420 mm
Outside diameter
B
44 mm
Width
Cr
243,000 N
Basic dynamic load rating, radial
C0r
330,000 N
Basic static load rating, radial
Cur
10,400 N
Fatigue load limit, radial
nG
2,700 1/min
Limiting speed
nϑr
1,800 1/min
Reference speed
≈m
23.7 kg
Weight

Mounting dimensions
da min
292.4 mm
Minimum diameter shaft shoulder
Da max
407.6 mm
Maximum diameter of housing shoulder
ra max
2.5 mm
Maximum fillet radius

Dimensions
rmin
3 mm
Minimum chamfer dimension
D1
371.4 mm
Shoulder diameter outer ring
d1
329.95 mm
Shoulder diameter inner ring

Temperature range
Tmin
-30 °C
Operating temperature min.
Tmax
200 °C
Operating temperature max.

Calculation factors
f0
16.5
Calculation factor

Your current product variant
SealingWithoutNot sealed
CageMAsolid brass cage, outer ring guided
Tolerance classPNNormal (PN)
Dimensional / heat stabilization S1Rings dimensional stabilized up to 200°
LubricantWithoutBearing not greased
Bore typeZCylindrical
Radial internal clearanceCN (Group N)Normal internal clearance
Thêm vào yêu cầu báo giá