PRODUCTS

  • Home
  • Giới thiệu sản phẩm

FAG
UCFA210
Take-up housing unit UCFA210
Thêm vào yêu cầu báo giá
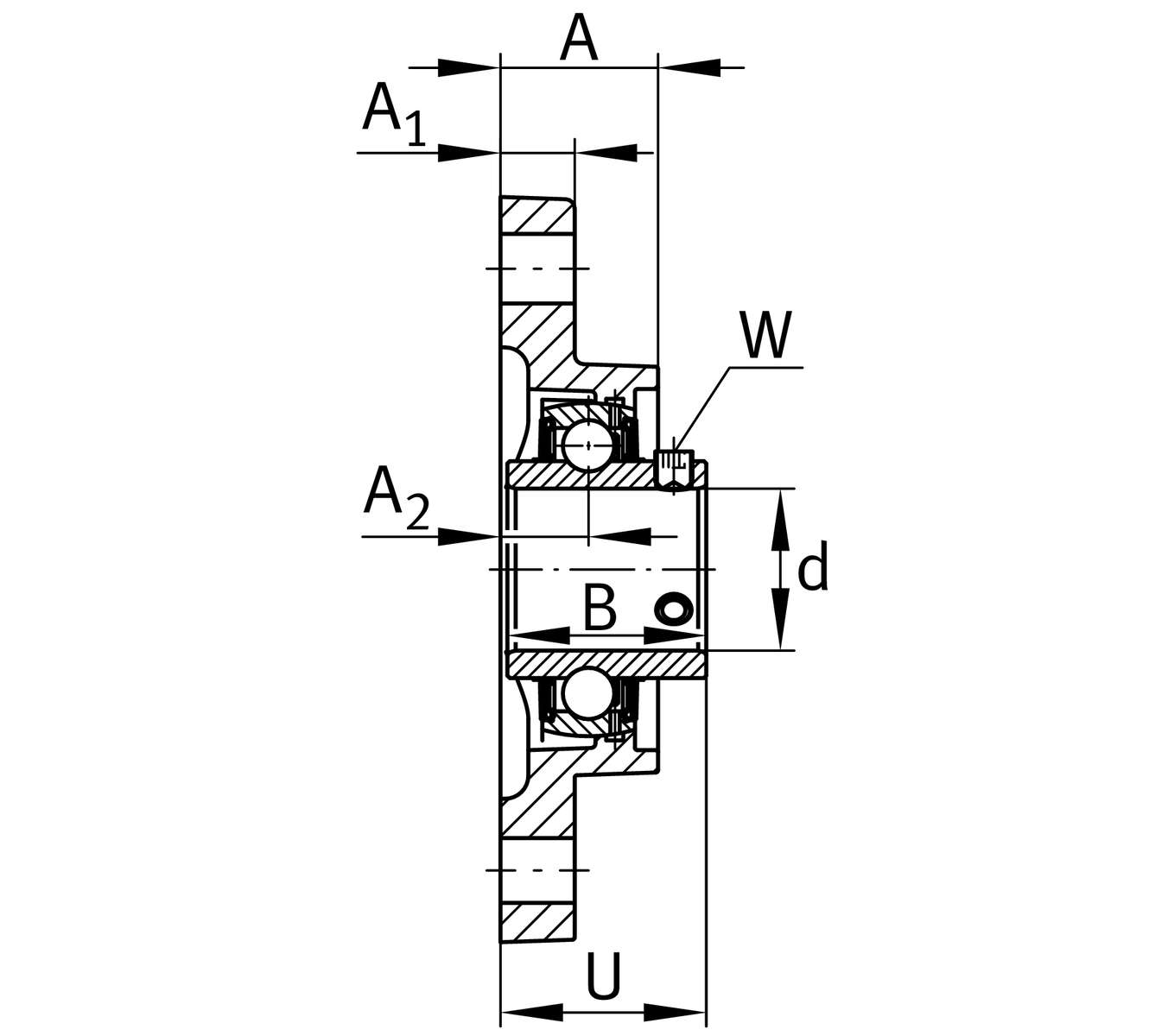
Main Dimensions & Performance Data
d
50 mm
Bore diameter
L
190 mm
Length total
U
54.6 mm
Total height unit
≈m
2.09 kg
Weight

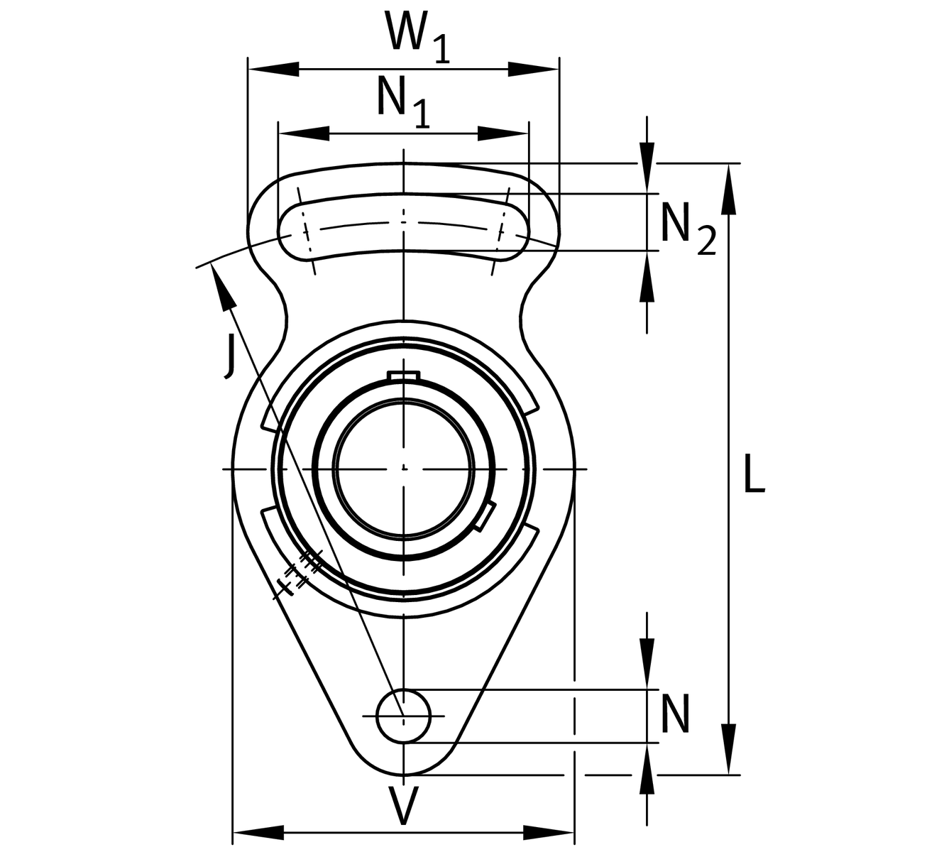
Mounting dimensions
N
16 mm
Fixing bore
N1
76 mm
Length (slot)
N2
16 mm
Width (slot)
J
157 mm
Distance fixing bore

Dimensions
A1
18 mm
Thickness of flange
A2
22 mm
Distance raceway
A
37.5 mm
Height housing
V
115 mm
Shoulder diameter housing
W
94 mm
Width housing slot side
Q
M6
Connection thread for lubrication

Additional information
FA210
Housing
UC210
Bearing designation

Temperature range
Tmin
-20 °C
Operating temperature min.
Tmax
120 °C
Operating temperature max.

Your current product variant
MaterialGGGrey cast iron
Thêm vào yêu cầu báo giá