PRODUCTS

  • Home
  • Giới thiệu sản phẩm

INA
CSXAA017-TV
Four-point contact bearing CSXAA017-TV
Thêm vào yêu cầu báo giá
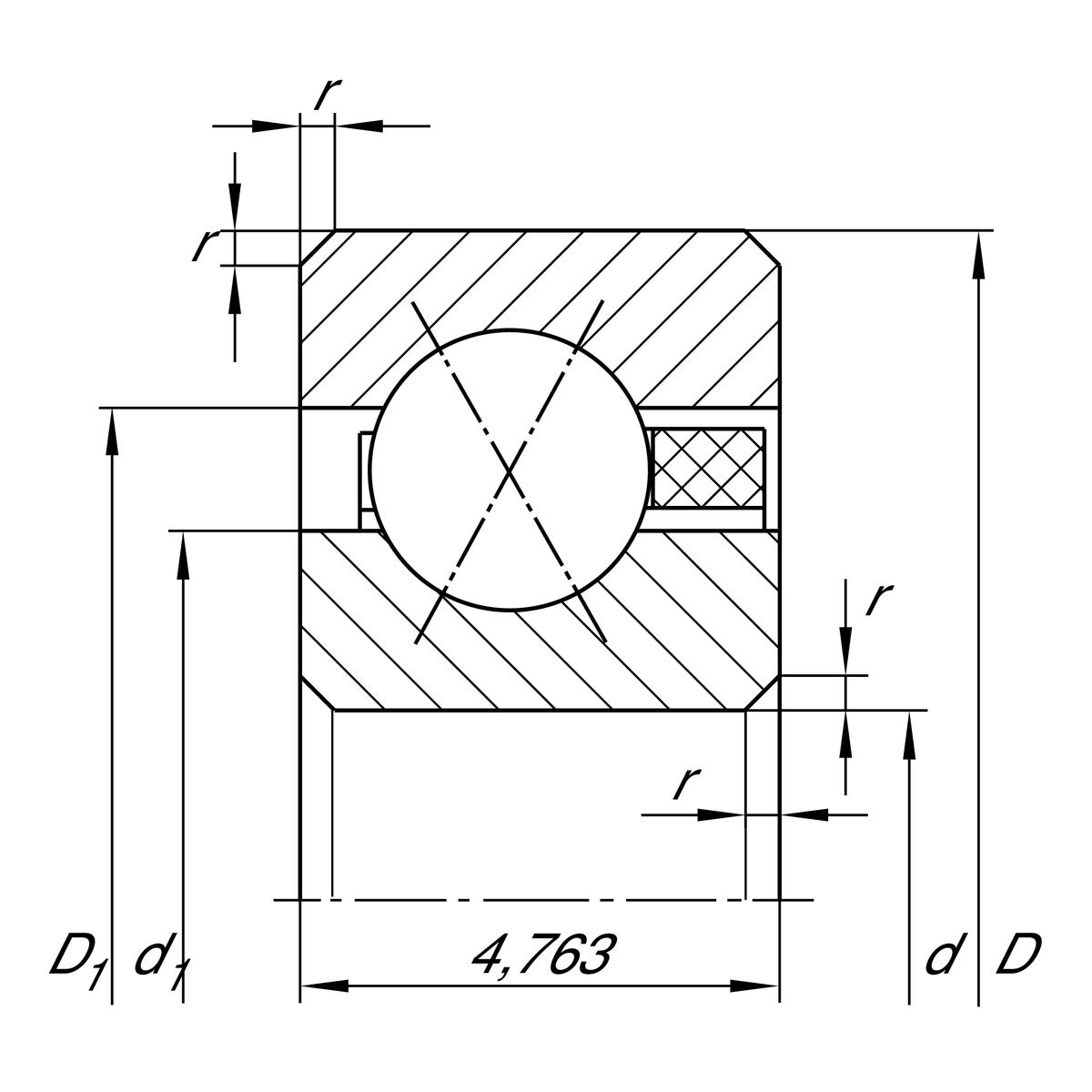
Main Dimensions & Performance Data
d
44.45 mm
Bore diameter
D
53.975 mm
Outside diameter
B
4.763 mm
Width
Cr
2,850 N
Basic dynamic load rating, radial
C0r
3,100 N
Basic static load rating, radial
nG
7,800 1/min
Limiting speed
≈m
20 g
Weight

Dimensions
rmin
0.38 mm
Minimum chamfer dimension
d1
48 mm
Shoulder diameter inner ring
D1
50.4 mm
Shoulder diameter outer ring
α
30 °
Contact angle

Temperature range
Tmin
-30 °C
Operating temperature min.
Tmax
120 °C
Operating temperature max.

Your current product variant
Logistical codeHLE-
SealingWithoutNot sealed
CageTVPlastic Cage made from PA66
Tolerance classPL1Class PL1, Normal
LubricantWithoutBearing not greased
Radial internal clearancePL1Class PL1, Normal
Thêm vào yêu cầu báo giá