PRODUCTS

  • Home
  • Giới thiệu sản phẩm

INA
81152-M
Axial cylindrical roller bearing 81152-M
Thêm vào yêu cầu báo giá
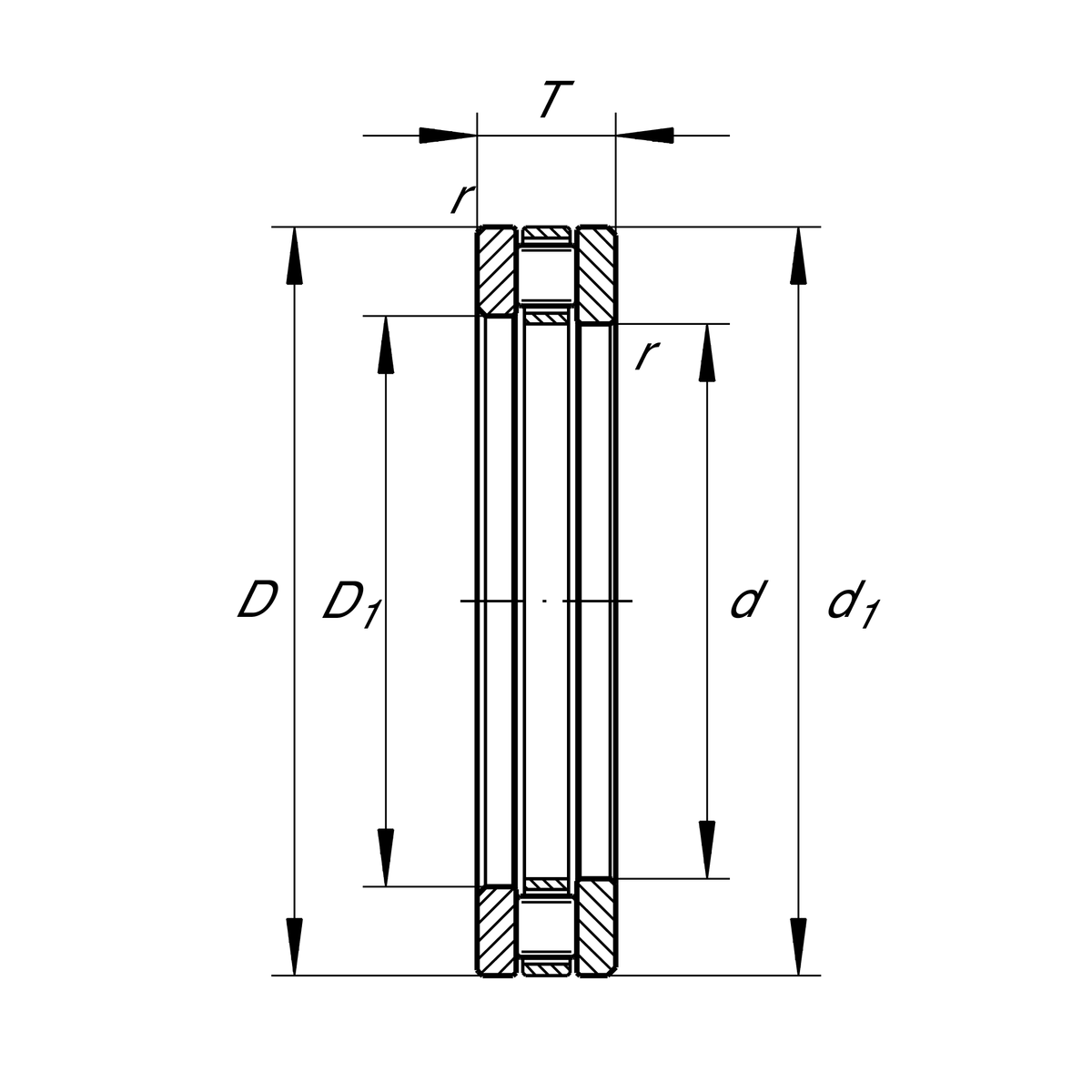
Main Dimensions & Performance Data
d
260 mm
Bore diameter
T
45 mm
Height
Ca
620,000 N
Basic dynamic load rating, axial
C0a
2,650,000 N
Basic static load rating, axial
Cua
223,000 N
Fatigue load limit, axial
nG
990 1/min
Limiting speed
nϑr
390 1/min
Reference speed
D
320 mm
Outside diameter
≈m
8.29 kg
Weight

Mounting dimensions
da min
316 mm
Minimum diameter shaft shoulder
Da max
268 mm
Maximum diameter of housing shoulder
ra max
1.5 mm
Maximum recess radius

Dimensions
D1
263 mm
Bore diameter housing washer
d1
317 mm
Rip diameter shaft washer
rmin
1.5 mm
Minimum chamfer dimension

Temperature range
Tmin
-30 °C
Operating temperature min.
Tmax
120 °C
Operating temperature max.

Additional information
K81152-M
Axial roller and cage assembly
GS81152
Housing Washer
WS81152
Shaft washer

Your current product variant
CageMBrass Cage
Thêm vào yêu cầu báo giá