PRODUCTS

  • Home
  • Giới thiệu sản phẩm

FAG
UCPA209-27
Plummer block housing unit UCPA209-27
Thêm vào yêu cầu báo giá
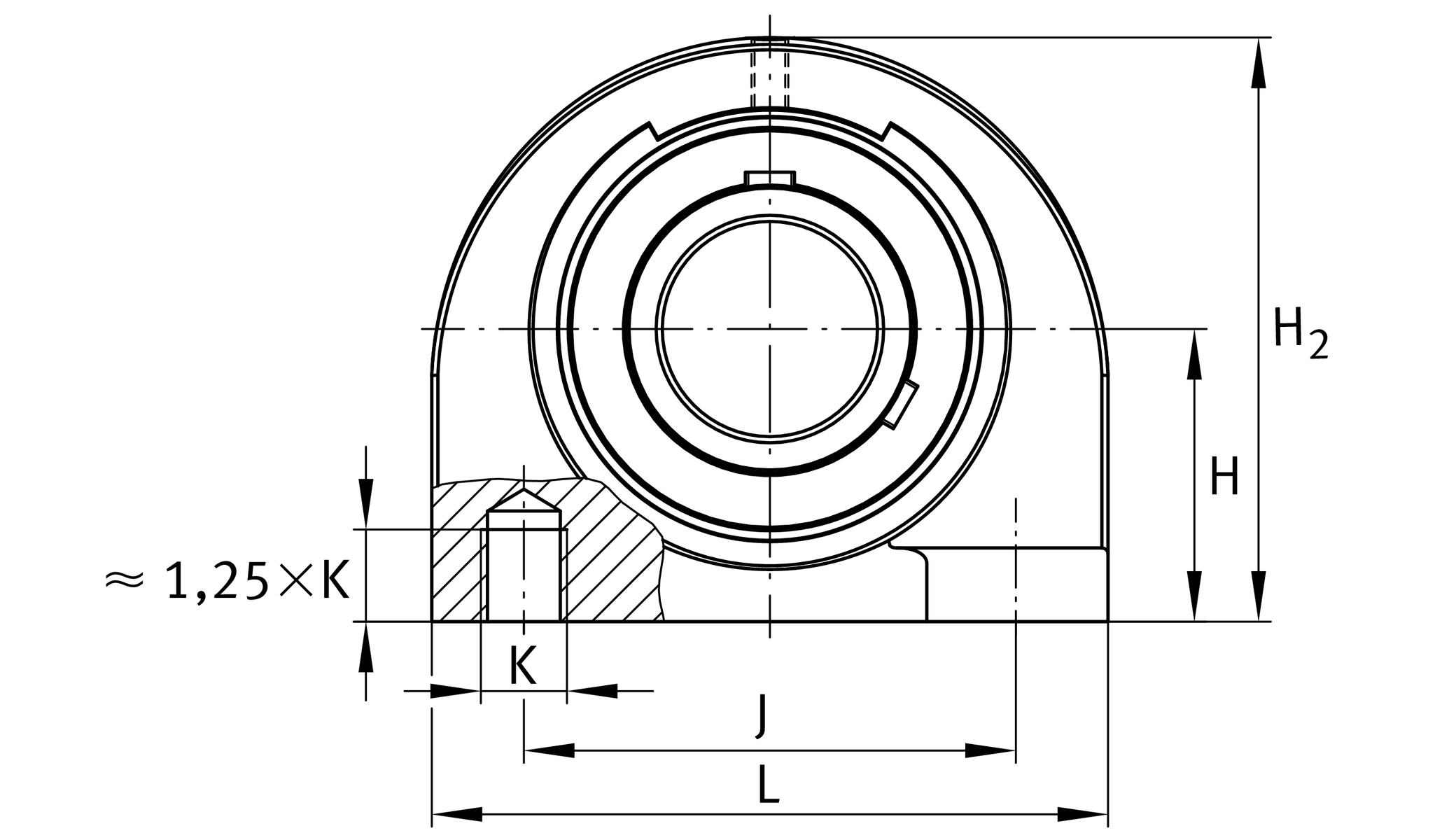
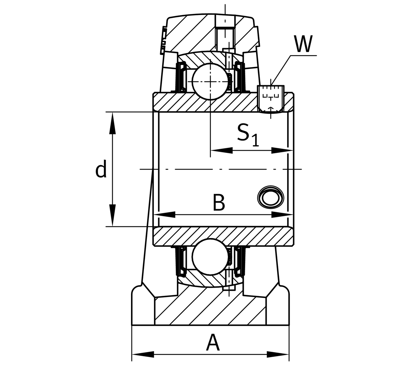
Main Dimensions & Performance Data
d
42.863 mm
Bore diameter
L
120 mm
Length total
H2
108 mm
Height
≈m
2.265 kg
Weight

Mounting dimensions
J
90 mm
Distance fixing bore
K
M14
Thread fixing bore

Dimensions
H
54.2 mm
Distance shaft axis
A
54 mm
Width (base)
Q
M6
Connection thread for lubrication
B
49.2 mm
Width of inner ring
S1
30.2 mm
Distance of raceway to locking collar

Additional information
PA209
Housing
UC209-27
Bearing designation

Temperature range
Tmin
-20 °C
Operating temperature min.
Tmax
120 °C
Operating temperature max.

Your current product variant
MaterialGGGrey cast iron
Housing clearanceJ7Normal swivel torque
DummyGGcast iron
Thêm vào yêu cầu báo giá