PRODUCTS

  • Home
  • Giới thiệu sản phẩm

FAG
UCT209-27
Take-up housing unit UCT209-27
Thêm vào yêu cầu báo giá
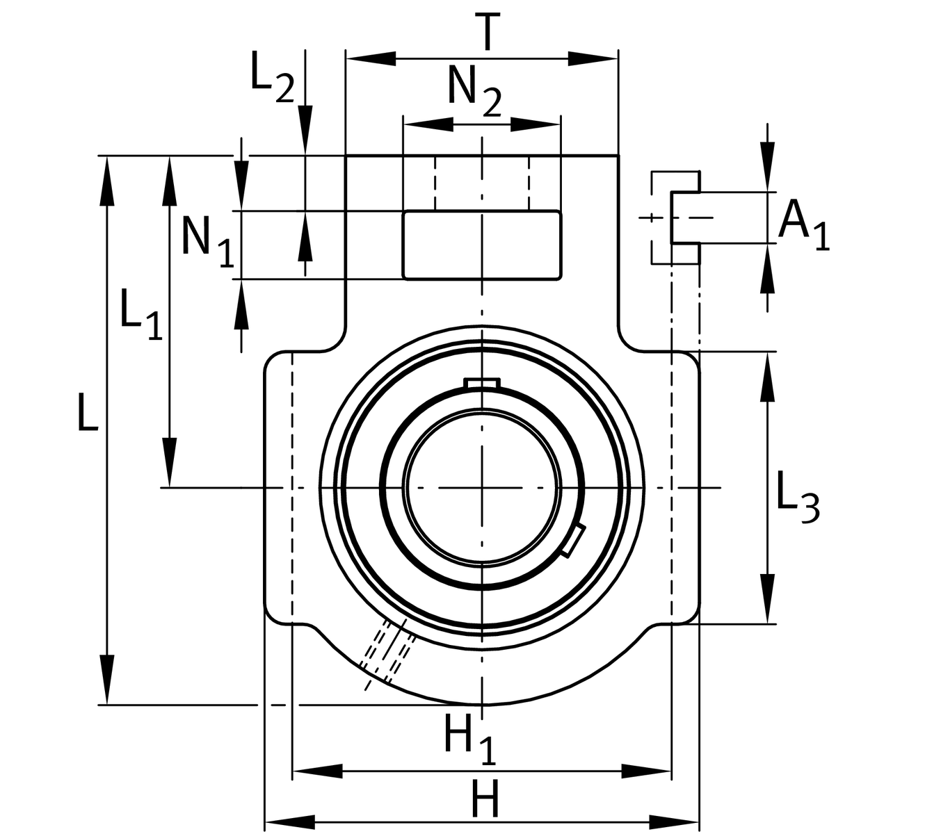
Main Dimensions & Performance Data
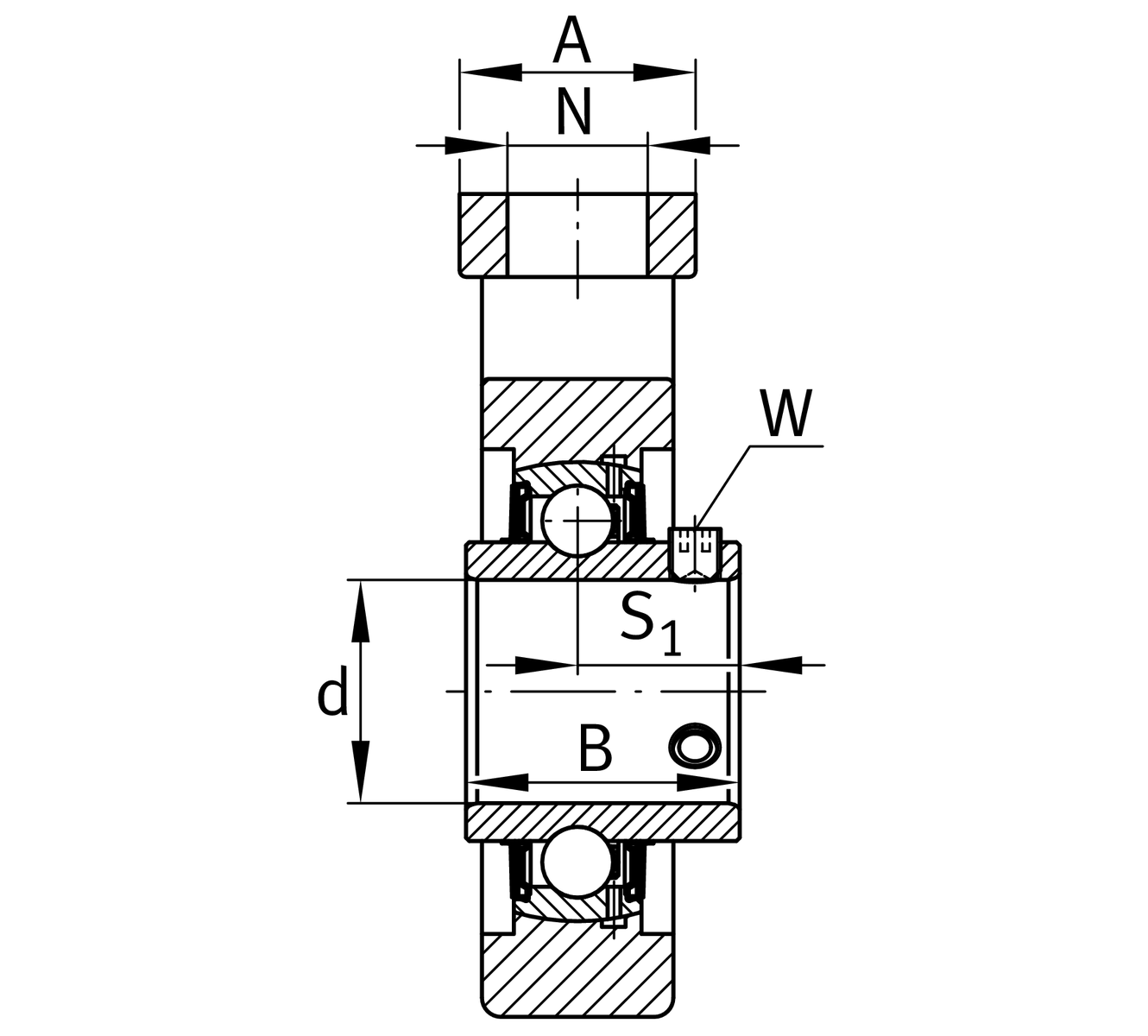
d
42.86 mm
Bore diameter
H
117 mm
Height
L
144 mm
Length total
≈m
2.381 kg
Weight

Mounting dimensions
A1
16 mm
Width guidance groove
0.2 mm
Upper width guidance groove tolerance
0 mm
Lower width guidance groove tolerance
H1
102 mm
Distance guidance grooves
0 mm
Upper distance guidance groove tolerance
-0.5 mm
Lower distance guidance groove tolerance
N
29 mm
Fixing bore

Dimensions
L1
87 mm
Distance shaft axis
L2
16 mm
Length fixed link
L3
83 mm
Length guidance groove
A
49 mm
Width housing fixing side
N1
19 mm
Width recess
N2
49 mm
Height recess
B
49.2 mm
Width inner ring
S1
30.2 mm
Distance of raceway to locking collar
T
83 mm
Height housing fixing side
Q
M6
Connection thread for lubrication
A2
35 mm
Width housing

Additional information
T209
Housing
UC209-27
Bearing designation

Temperature range
Tmin
-20 °C
Operating temperature min.
Tmax
120 °C
Operating temperature max.

Your current product variant
MaterialGGGrey cast iron
Thêm vào yêu cầu báo giá