PRODUCTS

  • Home
  • Giới thiệu sản phẩm

INA
CSXG090
Four-point contact bearing CSXG090
Thêm vào yêu cầu báo giá
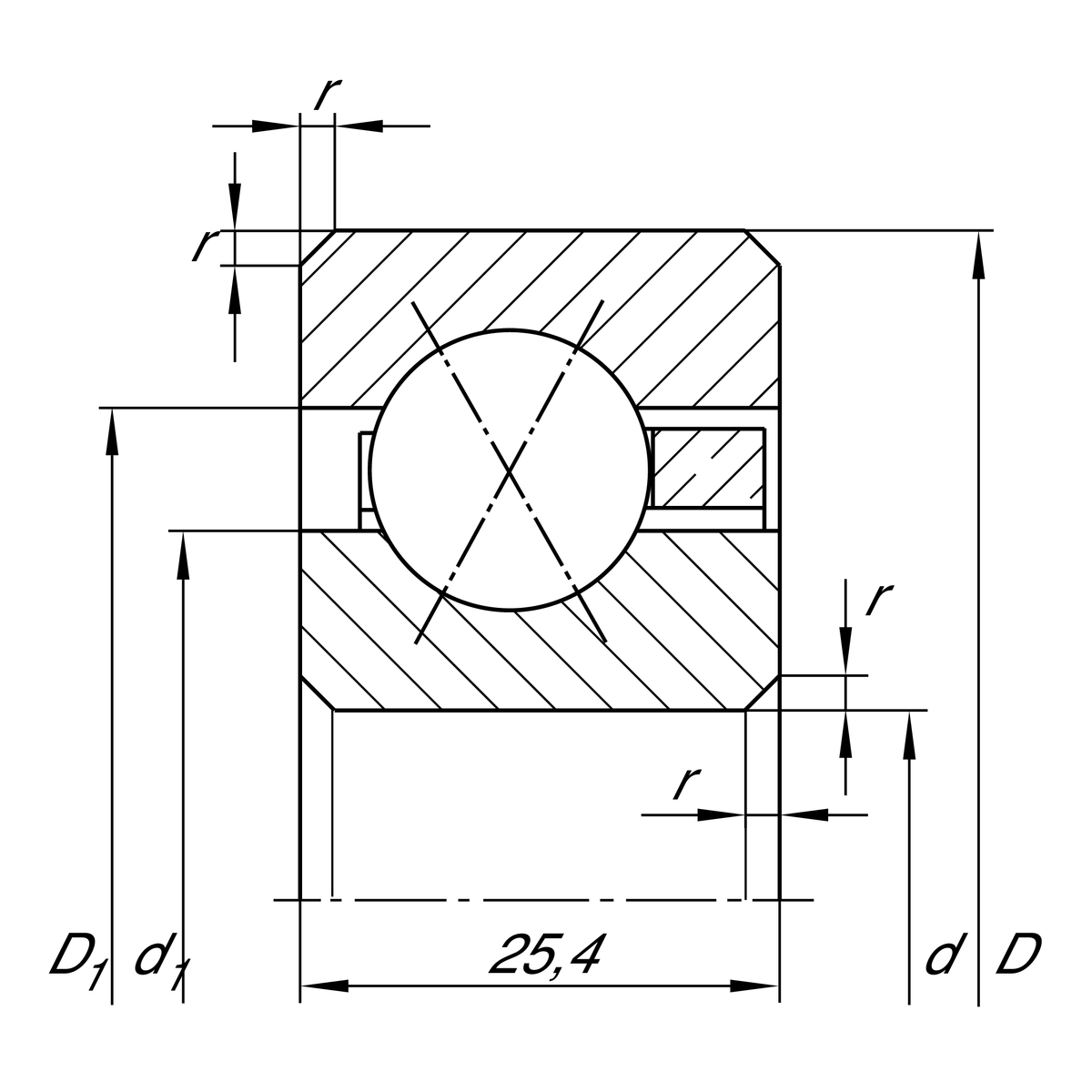
Main Dimensions & Performance Data
d
228.6 mm
Bore diameter
D
279.4 mm
Outside diameter
B
25.4 mm
Width
Cr
67,000 N
Basic dynamic load rating, radial
C0r
112,000 N
Basic static load rating, radial
nG
1,100 1/min
Limiting speed
≈m
3.26 kg
Weight

Dimensions
rmin
2 mm
Minimum chamfer dimension
d1
247.5 mm
Shoulder diameter inner ring
D1
260.6 mm
Shoulder diameter outer ring
α
30 °
Contact angle

Temperature range
Tmin
-30 °C
Operating temperature min.
Tmax
120 °C
Operating temperature max.

Your current product variant
Logistical codeHLE-
SealingWithoutNot sealed
CageYHbrass sheet metal
Tolerance classPL1Class PL1, Normal
LubricantWithoutBearing not greased
Radial internal clearancePL1Class PL1, Normal
Thêm vào yêu cầu báo giá