PRODUCTS

  • Home
  • Giới thiệu sản phẩm

FAG
UCFL209-26
Flanged housing unit UCFL209-26
Thêm vào yêu cầu báo giá
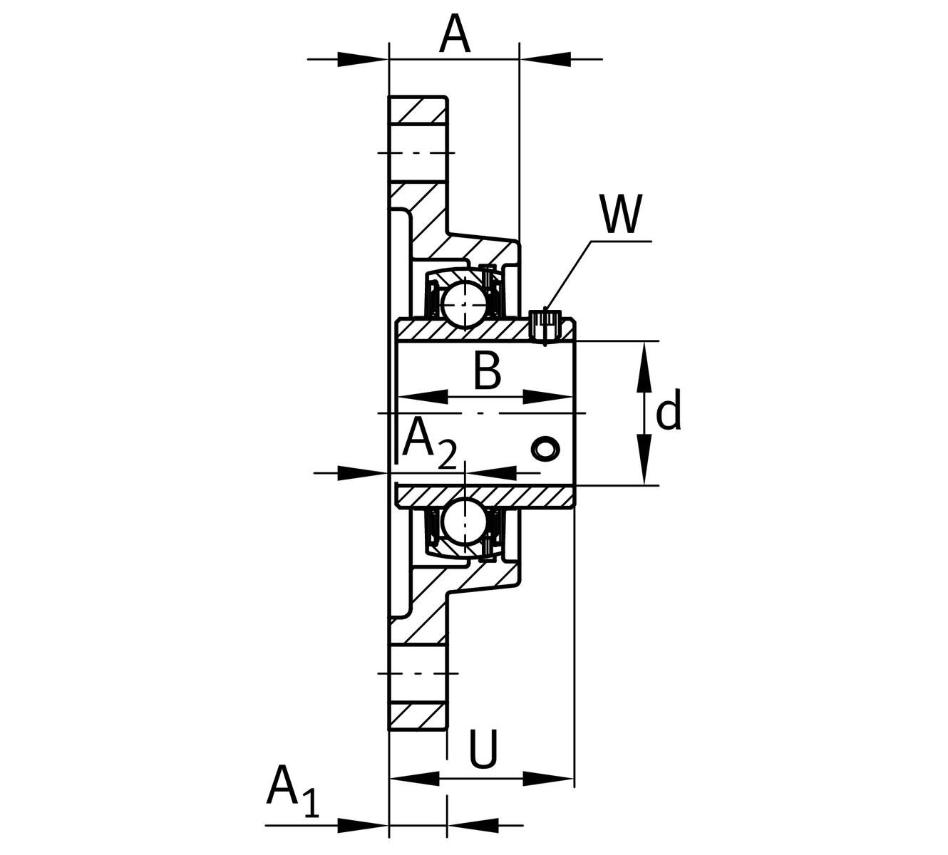
Main Dimensions & Performance Data
d
41.275 mm
Bore diameter
L
108 mm
Flange width
H
188 mm
Height flange
U
52.2 mm
Total height unit
Cr
32,500 N
Basic dynamic load rating, radial
C0r
20,400 N
Basic static load rating, radial
Cur
870 N
Fatigue load limit, radial
≈m
1.991 kg
Weight

Mounting dimensions
J
148 mm
Distance fixing bore
N
19 mm
Fixing bore
n
2
Number of screwing holes

Dimensions
A
38 mm
Height housing
A1
18 mm
Thickness of flange
A2
22 mm
Distance raceway
B
49.2 mm
Width
Q
M6
Connection thread for lubrication

Additional information
1
Number of housings
FL209
Housing
UC209-26
Bearing designation

Temperature range
Tmin
-20 °C
Operating temperature min.
Tmax
120 °C
Operating temperature max.

Your current product variant
MaterialGGGrey cast iron
Thêm vào yêu cầu báo giá