PRODUCTS

  • Home
  • Giới thiệu sản phẩm

FAG
UCFC209-26
Flanged housing unit UCFC209-26
Thêm vào yêu cầu báo giá
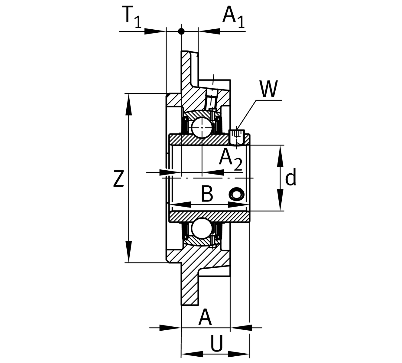
Main Dimensions & Performance Data
d
41.275 mm
Bore diameter
H
160 mm
Height flange
U
40.2 mm
Total height unit
Cr
32,500 N
Basic dynamic load rating, radial
C0r
20,400 N
Basic static load rating, radial
Cur
870 N
Fatigue load limit, radial
≈m
2.761 kg
Weight

Mounting dimensions
J
132 mm
Distance fixing bore
J
132 mm
Pitch circle diameter (holes)
N
16 mm
Fixing bore
N1
93.3 mm
Distance fixing bore
T1
12 mm
Height spigot
Z
105 mm
Diameter spigot
h8
Diameter spigot clearance
n
4
Number of screwing holes

Dimensions
A
26 mm
Height housing
A1
14 mm
Thickness of flange
A2
10 mm
Distance raceway
B
49.2 mm
Width
Q
M6
Connection thread for lubrication

Additional information
1
Number of housings
FC209
Housing
UC209-26
Bearing designation

Temperature range
Tmin
-20 °C
Operating temperature min.
Tmax
120 °C
Operating temperature max.

Your current product variant
MaterialGGGrey cast iron
Thêm vào yêu cầu báo giá