PRODUCTS

  • Home
  • Giới thiệu sản phẩm

INA
ZARF40115-L-TV
Needle roller/axial cylindrical roller bearing ZARF40115-L-TV
Thêm vào yêu cầu báo giá
Main Dimensions & Performance Data
d
40 mm
Bore diameter
D
115 mm
Outside diameter
H
93 mm
Hight
Ca
117,000 N
Basic dynamic load rating, axial
C0a
315,000 N
Basic static load rating, axial
Cr
38,000 N
Basic dynamic load rating, radial
C0r
74,000 N
Basic static load rating, radial
Cua
27,000 N
Fatigue load limit, axial
Cur
10,400 N
Fatigue load limit, radial
nG Oil
3,700 1/min
Limiting speed for oil lubrication
nG Grease
1,200 1/min
Limiting speed for grease lubrication
MRL
2.5 Nm
Bearing friction torque
≈m
2.761 kg
Weight

Mounting dimensions
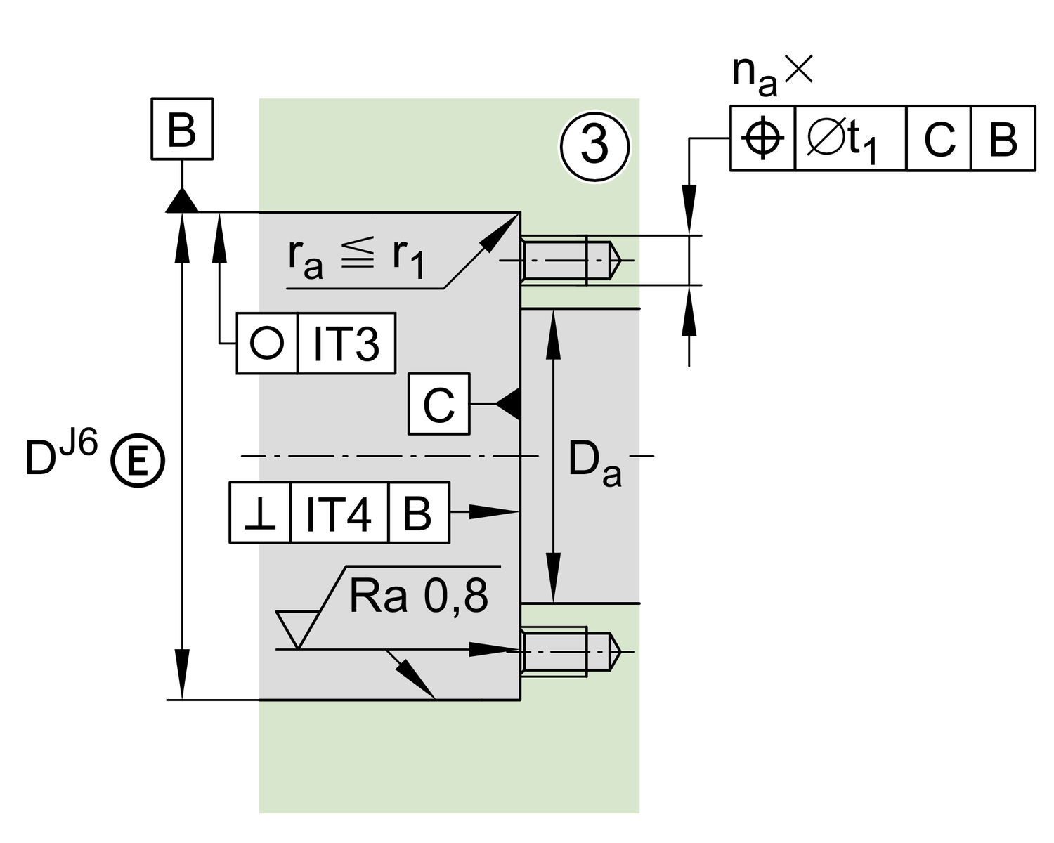
Da max
79 mm
Maximum diameter of housing shoulder
da min
58 mm
Minimum diameter shaft shoulder
t1
0.2 mm
Position bore in the housing

Dimensions
H1
65.5 mm
Height outer ring over wave washer
C
22.5 mm
Width, outer ring
C1
12.5 mm
Distance to lubrication hole
D1
78 mm
Rip diameter shaft washer
D2
60 mm
Heeldiameter wave washer long
D3
78 mm
Outside diameter wave washer long
B
16 mm
Width, wave washer
B1
34 mm
Width wave washer long
B2
14 mm
Width heel wave washer long
rmin
0.3 mm
Minimum chamfer dimension
r1 min
0.6 mm
Minimum chamfer dimension
d1
6 mm
Diameter lubrication hole
J
94 mm
Pitch circle diameter (holes)
n
12
Number of screwing holes
n x t
30 °
Split

Temperature range
Tmin
-30 °C
Operating temperature min.
Tmax
120 °C
Operating temperature max.

Additional information
caL
3,800 N/µm
Rigidity axial
ckL
1,800 Nm/mrad
Tilting stiffness
Mm
15.5 kg*cm2
Mass moment of inertia
1 µm
Axial runout
radial
ZMA40/75
Recommended INA precision locknut for radial locking (not included)
axial
AM40
Locknut 2
MA
120 Nm
Tightening torque nut
29,834 N
Preload force axial
60X80X8
Sealing ring
M8
Screw size
na
12
Number of screws
na x ta
30 °
Division (screwing holes)

Your current product variant
CageTVPlastic Cage made from PA66
Locating Feature , bearing outer ringLStepped shaft locating washer extended on one side
Thêm vào yêu cầu báo giá