PRODUCTS

  • Home
  • Giới thiệu sản phẩm

FAG
16052-M-C3
Deep groove ball bearing 16052-M-C3
Thêm vào yêu cầu báo giá
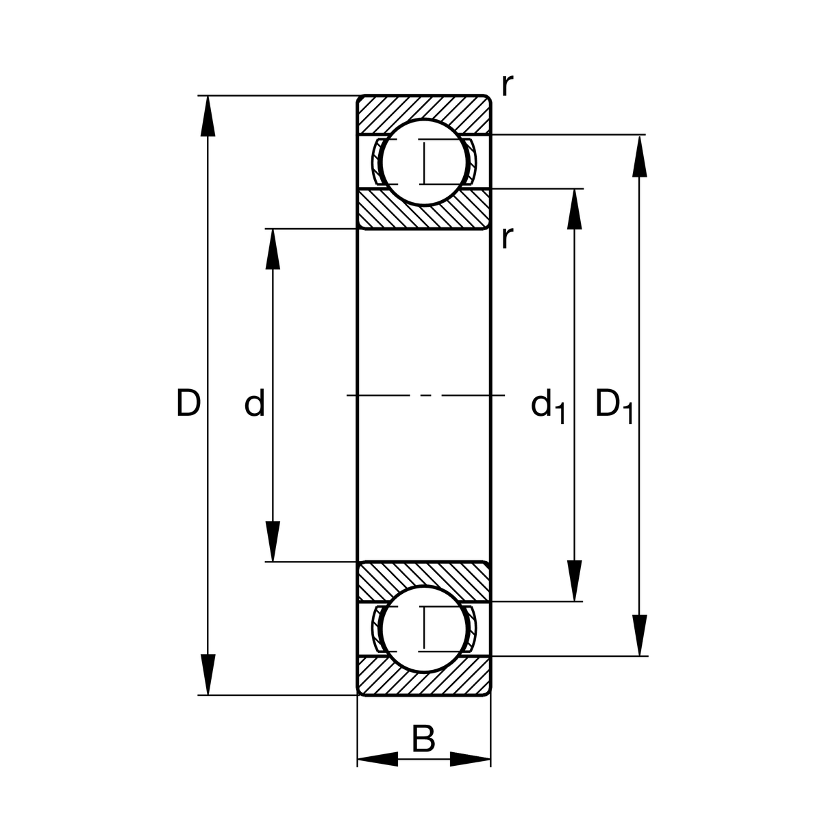
Main Dimensions & Performance Data
d
260 mm
Bore diameter
D
400 mm
Outside diameter
B
44 mm
Width
Cr
237,000 N
Basic dynamic load rating, radial
C0r
310,000 N
Basic static load rating, radial
Cur
10,200 N
Fatigue load limit, radial
nG
2,850 1/min
Limiting speed
nϑr
1,960 1/min
Reference speed
≈m
21.6 kg
Weight

Mounting dimensions
da min
272.4 mm
Minimum diameter shaft shoulder
Da max
387.6 mm
Maximum diameter of housing shoulder
ra max
2.5 mm
Maximum fillet radius

Dimensions
rmin
3 mm
Minimum chamfer dimension
D1
351.2 mm
Shoulder diameter outer ring
d1
310 mm
Shoulder diameter inner ring

Temperature range
Tmin
-30 °C
Operating temperature min.
Tmax
200 °C
Operating temperature max.

Calculation factors
f0
16.4
Calculation factor

Your current product variant
SealingWithoutNot sealed
CageMsolid brass cage, rolling element guided
Tolerance classPNNormal (PN)
Dimensional / heat stabilization S1Rings dimensional stabilized up to 200°
LubricantWithoutBearing not greased
Bore typeZCylindrical
Radial internal clearanceC3 (Group 3)Internal clearance larger than CN
Thêm vào yêu cầu báo giá