PRODUCTS
- Home
- Giới thiệu sản phẩm
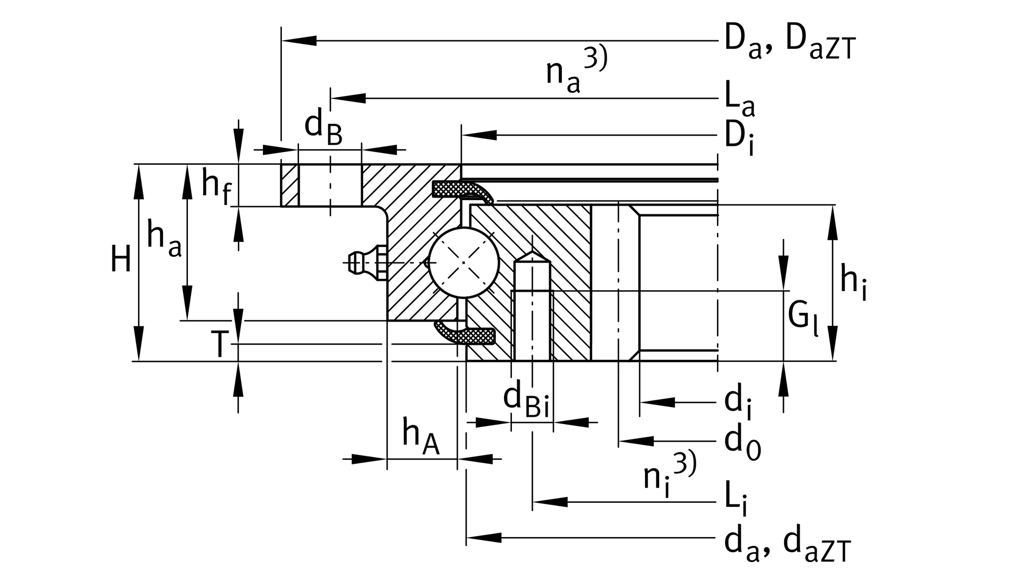
| d1 | 984 mm | Bore Diameter |
| H | 56 mm | Height |
| Da | 1,198 mm | Outside Diameter |
-0.7 mm | Outside diameter lower tolerance | |
0 mm | Outside diameter upper tolerance | |
-IT8 | Diameter centring outer ring tolerance | |
| hf | 12 mm | height of flange |
| ha | 44.5 mm | Width outer ring |
| hi | 44.5 mm | Width inner ring |
| ≈m | 81.51 kg | Weight |
| Di | 1,095.5 mm | Inner diameter outer ring |
0.7 mm | Inner diameter outer ring upper tolerance | |
0 mm | Inner diameter outer ring lower tolerance | |
| La | 1,170 mm | Pitchcircle diameter fixing holes outer ring |
| na | 16 | Number of fixing holes in outer ring |
| dB | 18 mm | Fixing bore |
| da | 1,092.5 mm | Outside diameter inner ring |
0 mm | Outside diameter inner ring upper tolerance | |
-0.7 mm | Outside diameter inner ring lower tolerance | |
| Li | 1,055 mm | Pitchcircle diameter fixing holes inner ring |
| dBi | M12 | Tread fixing bore |
| Gl | 20 mm | Thread depth fixing hole |
| ni | 24 | Number of fixing holes in inner ring |
| Fr zul | 99,100 N | Max. radial load fixing screws (friction locking) |
| m | 8 mm | Modul of gearing |
| z | 125 | Number of teeth |
| d0 | 1,000 mm | Pitch circle diameter gearing |
| hA | 20 mm | Ring cross section |
| Fz norm | 31,400 N | Max. tooth force root fatigue strenght (at a shock factor of 1,2) |
| Fz max | 46,700 N | Max. tooth force against tooth fracture (at a shock factor of 1,35) |
| Tmin | -25 °C | Operating temperature min. |
| Tmax | 80 °C | Operating temperature max. |
| Ca | 198,000 N | Basic dynamic load rating, axial |
| C0a | 780,000 N | Basic static load rating, axial |
| Cr | 179,000 N | Basic dynamic load rating, radial |
| C0r | 290,000 N | Basic static load rating, radial |
| Gearing | N | Normalized gear teeth on bearing ring |
| Radial internal clearance | RL1 | Radial clearance 0 to 0,1; axial tilting clearance 0 to 0,21 |