PRODUCTS

  • Home
  • Giới thiệu sản phẩm

INA
VSU250955-VSP-ZT
Slewing Ring, Four Point contact bearing, without gear teeth VSU250955-VSP-ZT
Thêm vào yêu cầu báo giá
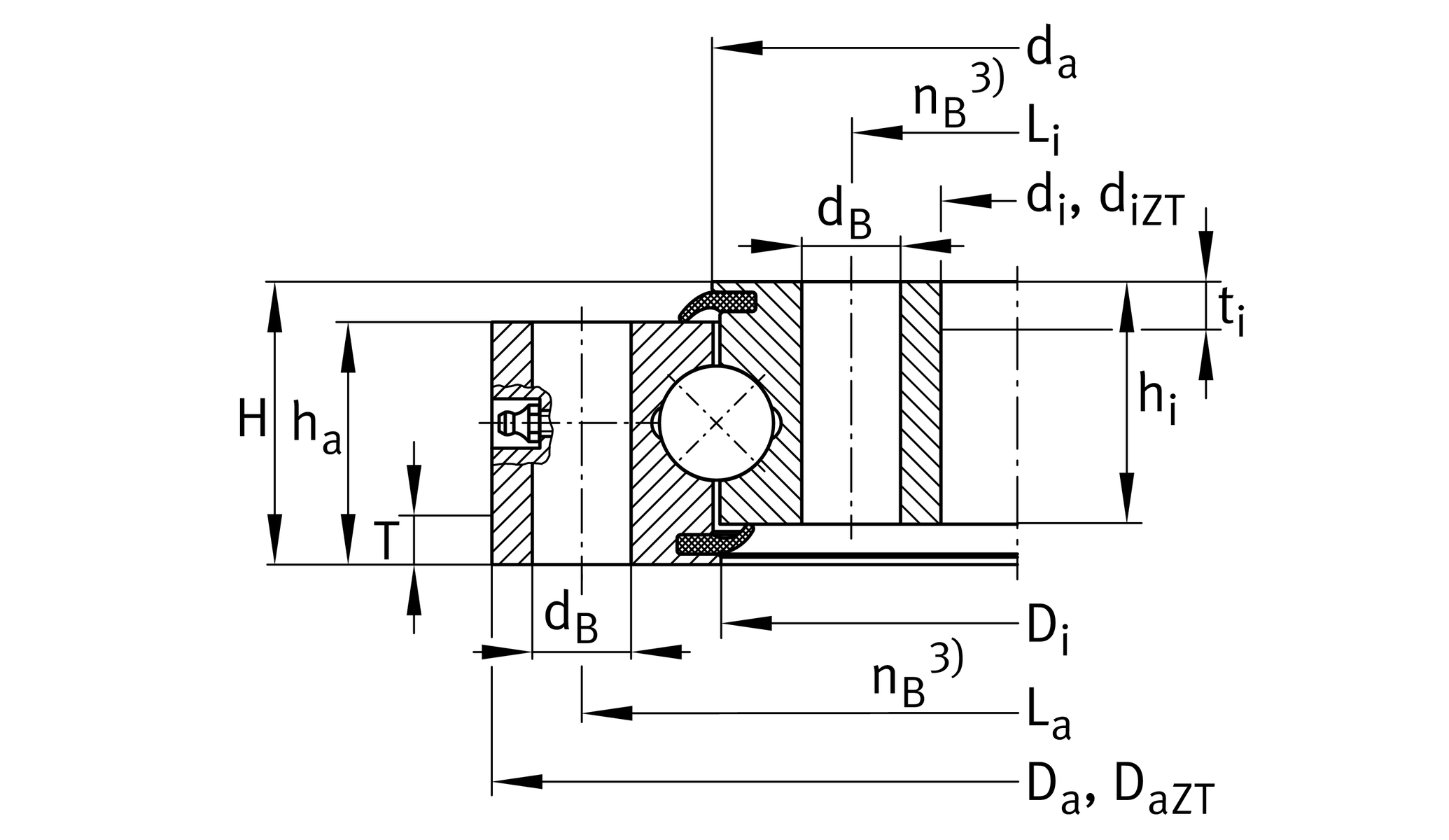
Main Dimensions & Performance Data
di
855 mm
Inner diameter inner ring
diZT
857 mm
Diameter centring inner ring
IT8
Diameter centring inner ring tolerance
H
63 mm
Height
Da
1,055 mm
Outside Diameter
Da ZT
1,053 mm
Centring diameter outer ring
-IT8
Diameter centring outer ring tolerance
T
15 mm
Length centering outer ring
t
15 mm
Length centering inner ring
ha
54 mm
Width outer ring
hi
54 mm
Width inner ring
0.03 mm
Normal radial clearance min.
0.13 mm
Normal radial clearance max.
0.05 mm
Normal axial clearance min.
0.24 mm
Normal axial clearance max.
≈m
115.1 kg
Weight

Dimensions
Di
953 mm
Inner diameter outer ring
da
957 mm
Outside diameter inner ring
dB
22 mm
Fixing bore
La
1,015 mm
Pitchcircle diameter fixing holes outer ring
na
30
Number of fixing holes in outer ring
Li
895 mm
Pitchcircle diameter fixing holes inner ring
ni
30
Number of fixing holes in inner ring
Fr zul
480,000 N
Max. radial load fixing screws (friction locking)

Temperature range
Tmin
-25 °C
Operating temperature min.
Tmax
80 °C
Operating temperature max.

Calculation factors
Ca
370,000 N
Basic dynamic load rating, axial
C0a
3,400,000 N
Basic static load rating, axial
Cr
335,000 N
Basic dynamic load rating, radial (for radial load only)
C0r
1,560,000 N
Basic static load rating, radial (for radial load only)

Your current product variant
CenteringZTCentering on inner and outer ring
PreloadVSPBearing with preload
Thêm vào yêu cầu báo giá