PRODUCTS
- Home
- Giới thiệu sản phẩm
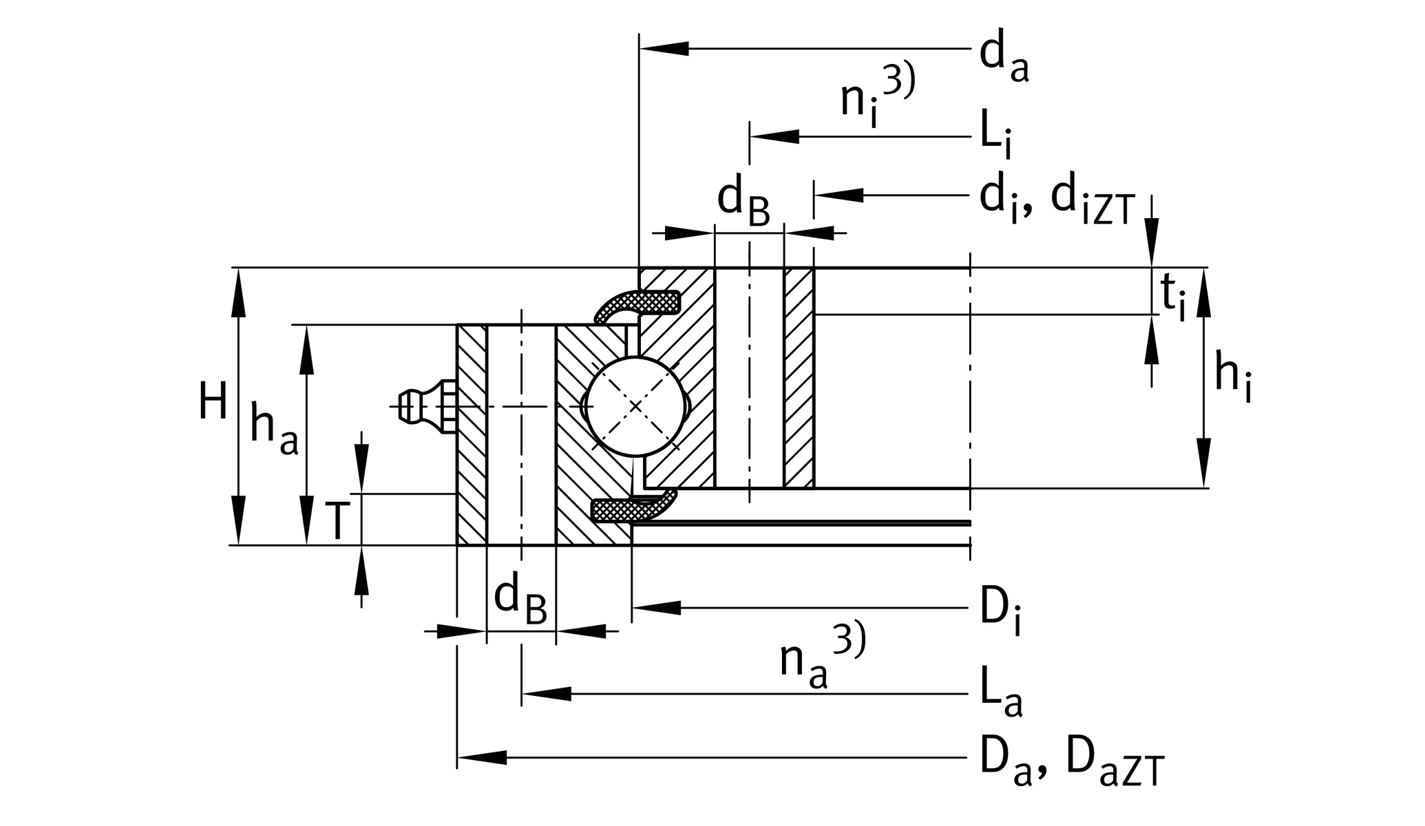
| di | 772 mm | Inner diameter inner ring |
0 mm | Inner diameter inner ring lower tolerance | |
0.6 mm | Inner diameter inner ring upper tolerance | |
| diZT | 774 mm | Diameter centring inner ring |
IT8 | Diameter centring inner ring tolerance | |
| H | 56 mm | Height |
| Da | 916 mm | Outside Diameter |
-0.6 mm | Outside diameter lower tolerance | |
0 mm | Outside diameter upper tolerance | |
| Da ZT | 914 mm | Centring diameter outer ring |
-IT8 | Diameter centring outer ring tolerance | |
| T | 10 mm | Length centering outer ring |
| t | 10 mm | Length centering inner ring |
| ha | 44.5 mm | Width outer ring |
| hi | 44.5 mm | Width inner ring |
| ≈m | 60 kg | Weight |
| Di | 845.5 mm | Inner diameter outer ring |
0.6 mm | Inner diameter outer ring upper tolerance | |
0 mm | Inner diameter outer ring lower tolerance | |
| da | 842.5 mm | Outside diameter inner ring |
0 mm | Outside diameter inner ring upper tolerance | |
-0.6 mm | Outside diameter inner ring lower tolerance | |
| dB | 14 mm | Fixing bore |
| La | 890 mm | Pitchcircle diameter fixing holes outer ring |
| na | 40 | Number of fixing holes in outer ring |
| Li | 798 mm | Pitchcircle diameter fixing holes inner ring |
| ni | 40 | Number of fixing holes in inner ring |
| Fr zul | 165,200 N | Max. radial load fixing screws (friction locking) |
| Tmin | -25 °C | Operating temperature min. |
| Tmax | 80 °C | Operating temperature max. |
| Ca | 180,000 N | Basic dynamic load rating, axial |
| C0a | 1,360,000 N | Basic static load rating, axial |
| Cr | 163,000 N | Basic dynamic load rating, radial (for radial load only) |
| C0r | 620,000 N | Basic static load rating, radial (for radial load only) |
| Centering | ZT | Centering on inner and outer ring |
| Preload | VSP | Bearing with preload |