PRODUCTS

  • Home
  • Giới thiệu sản phẩm

INA
CSXG300
Four-point contact bearing CSXG300
Thêm vào yêu cầu báo giá
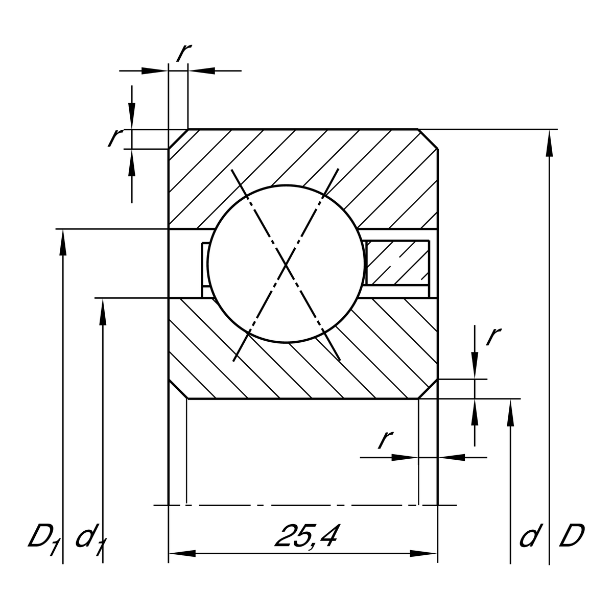
Main Dimensions & Performance Data
d
762 mm
Bore diameter
D
812.8 mm
Outside diameter
B
25.4 mm
Width
Cr
102,000 N
Basic dynamic load rating, radial
C0r
360,000 N
Basic static load rating, radial
nG
280 1/min
Limiting speed
≈m
10.56 kg
Weight

Dimensions
rmin
2 mm
Minimum chamfer dimension
d1
780.9 mm
Shoulder diameter inner ring
D1
794 mm
Shoulder diameter outer ring
α
30 °
Contact angle

Temperature range
Tmin
-30 °C
Operating temperature min.
Tmax
120 °C
Operating temperature max.

Your current product variant
Logistical codeHLE-
SealingWithoutNot sealed
CageYHbrass sheet metal
Tolerance classPL1Class PL1, Normal
LubricantWithoutBearing not greased
Radial internal clearancePL1Class PL1, Normal
Thêm vào yêu cầu báo giá