PRODUCTS

  • Home
  • Giới thiệu sản phẩm

INA
VSA250855-N
Slewing ring, four Point contact bearings, external gear VSA250855-N
Thêm vào yêu cầu báo giá
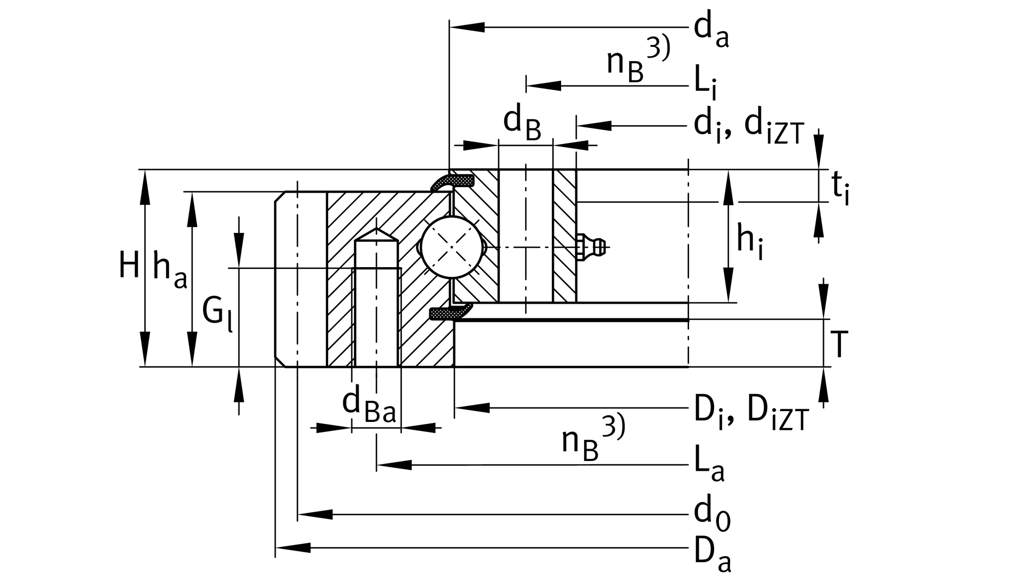
Main Dimensions & Performance Data
di
755 mm
Bore Diameter
H
80 mm
Height
Da
997 mm
Outside Diameter
ha
71 mm
Width outer ring
hi
54 mm
height of inner ring
0.03 mm
Normal radial clearance min.
0.13 mm
Normal radial clearance max.
0.05 mm
Normal axial clearance min.
0.24 mm
Normal axial clearance max.
≈m
145 kg
Weight

Dimensions
Di
853 mm
Inner diameter outer ring
da
857 mm
Outside diameter inner ring
ni
28
Number of fixing holes in inner ring
Li
795 mm
Pitchcircle diameter fixing holes inner ring
dB
22 mm
Fixing bore
na
28
Number of fixing holes in outer ring
La
916 mm
Pitchcircle diameter fixing holes outer ring
dBa
M20
Tread fixing bore
Gl
40 mm
Thread depth fixing hole
Fr zul
338,800 N
Max. radial load fixing screws (friction locking)
d0
981 mm
Pitch circle diameter gearing
m
9 mm
Modul of gearing
z
109
Number of teeth
Fz norm
55,100 N
Max. tooth force root fatigue strenght (at a shock factor of 1,2)
Fz max
80,200 N
Max. tooth force against tooth fracture (at a shock factor of 1,35)

Temperature range
Tmin
-25 °C
Operating temperature min.
Tmax
80 °C
Operating temperature max.

Calculation factors
Ca
355,000 N
Basic dynamic load rating, axial
C0a
3,050,000 N
Basic static load rating, axial
Cr
320,000 N
Basic dynamic load rating, radial
C0r
1,400,000 N
Basic static load rating, radial

Your current product variant
GearingNNormalized gear teeth on bearing ring
Thêm vào yêu cầu báo giá