PRODUCTS

  • Home
  • Giới thiệu sản phẩm

INA
81288-M
Axial cylindrical roller bearing 81288-M
Thêm vào yêu cầu báo giá
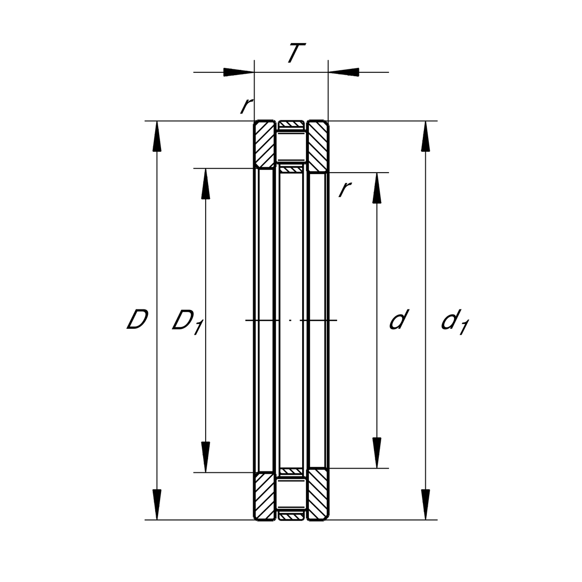
Main Dimensions & Performance Data
d
440 mm
Bore diameter
T
130 mm
Height
Ca
3,550,000 N
Basic dynamic load rating, axial
C0a
14,400,000 N
Basic static load rating, axial
Cua
1,040,000 N
Fatigue load limit, axial
nG
550 1/min
Limiting speed
nϑr
163 1/min
Reference speed
D
600 mm
Outside diameter
≈m
118 kg
Weight

Mounting dimensions
da min
591 mm
Minimum diameter shaft shoulder
Da max
479 mm
Maximum diameter of housing shoulder
ra max
5 mm
Maximum recess radius

Dimensions
D1
445 mm
Bore diameter housing washer
d1
595 mm
Rip diameter shaft washer
rmin
5 mm
Minimum chamfer dimension

Temperature range
Tmin
-30 °C
Operating temperature min.
Tmax
120 °C
Operating temperature max.

Additional information
K81288-M
Axial roller and cage assembly
GS81288
Housing Washer
WS81288
Shaft washer

Your current product variant
CageMBrass Cage
Thêm vào yêu cầu báo giá