PRODUCTS

  • Home
  • Giới thiệu sản phẩm

INA
VSU250755
Slewing Ring, Four Point contact bearing, without gear teeth VSU250755
Thêm vào yêu cầu báo giá
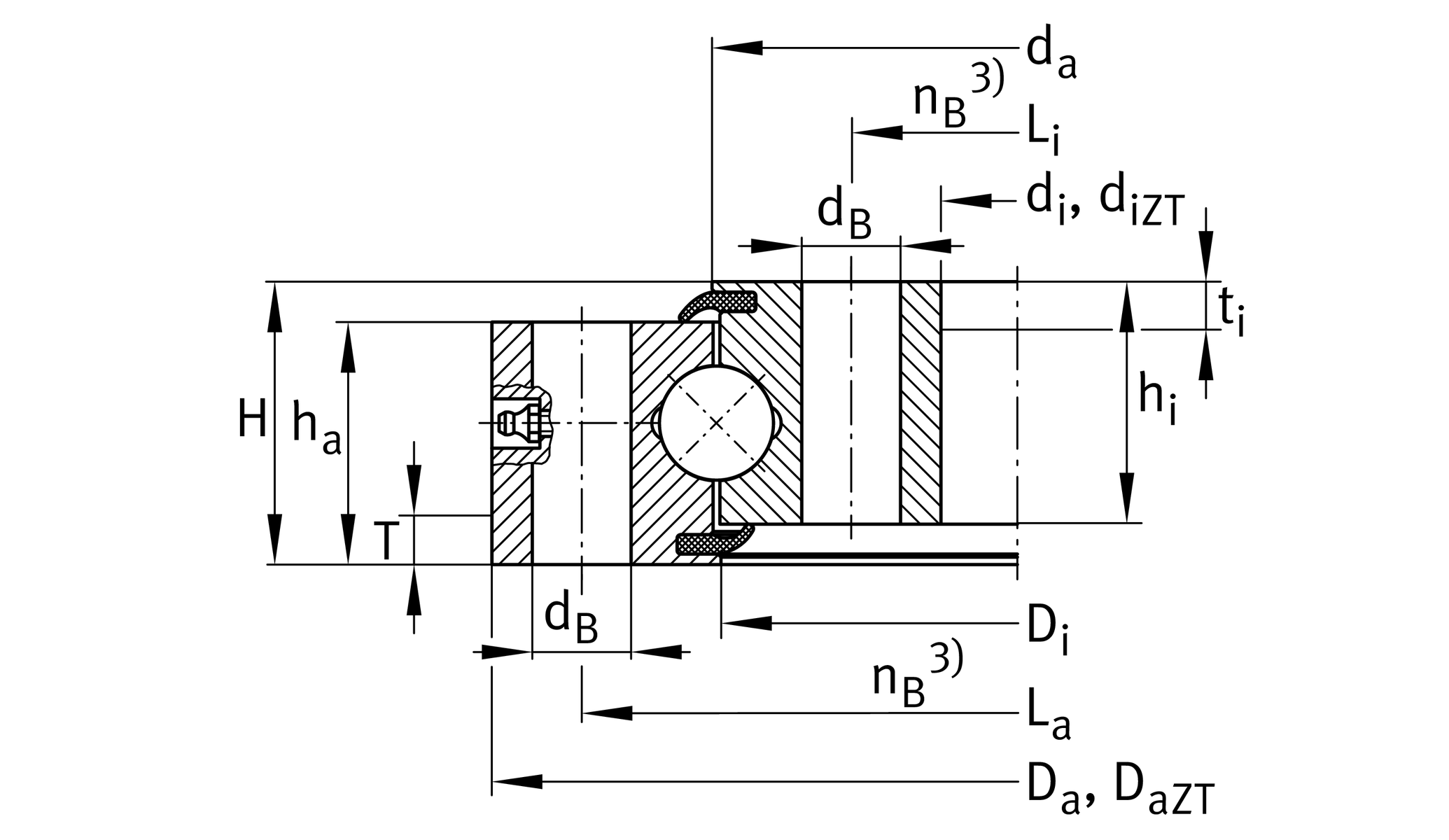
Main Dimensions & Performance Data
di
655 mm
Inner diameter inner ring
H
63 mm
Height
Da
855 mm
Outside Diameter
ha
54 mm
Width outer ring
hi
54 mm
Width inner ring
0.03 mm
Normal radial clearance min.
0.13 mm
Normal radial clearance max.
0.05 mm
Normal axial clearance min.
0.24 mm
Normal axial clearance max.
≈m
89.06 kg
Weight

Dimensions
Di
753 mm
Inner diameter outer ring
da
757 mm
Outside diameter inner ring
dB
22 mm
Fixing bore
La
815 mm
Pitchcircle diameter fixing holes outer ring
na
24
Number of fixing holes in outer ring
Li
695 mm
Pitchcircle diameter fixing holes inner ring
ni
24
Number of fixing holes in inner ring
Fr zul
290,400 N
Max. radial load fixing screws (friction locking)

Temperature range
Tmin
-25 °C
Operating temperature min.
Tmax
80 °C
Operating temperature max.

Calculation factors
Ca
340,000 N
Basic dynamic load rating, axial
C0a
2,700,000 N
Basic static load rating, axial
Cr
305,000 N
Basic dynamic load rating, radial (for radial load only)
C0r
1,230,000 N
Basic static load rating, radial (for radial load only)
Thêm vào yêu cầu báo giá