PRODUCTS

  • Home
  • Giới thiệu sản phẩm

INA
81184-M
Axial cylindrical roller bearing 81184-M
Thêm vào yêu cầu báo giá
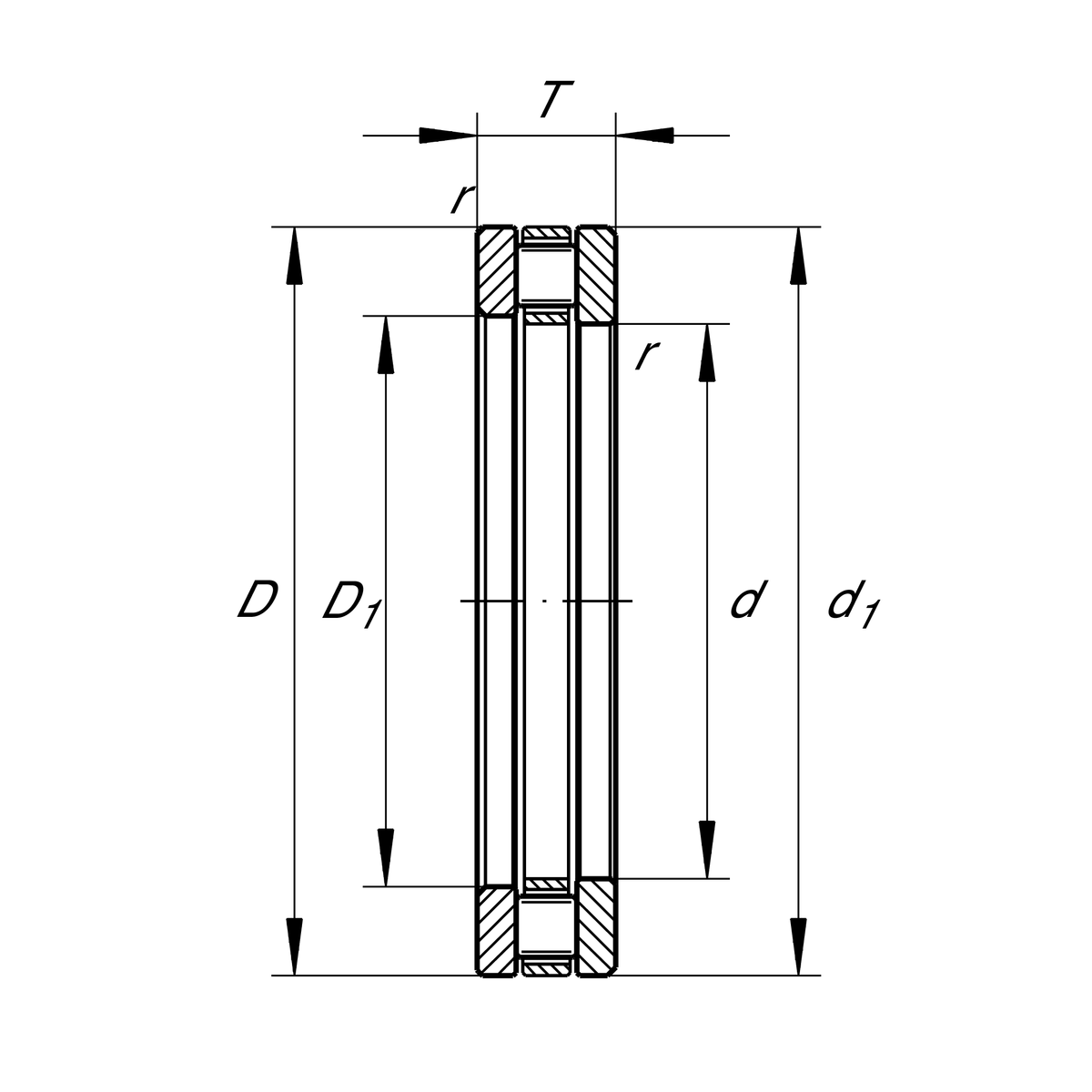
Main Dimensions & Performance Data
d
420 mm
Bore diameter
T
65 mm
Height
Ca
1,230,000 N
Basic dynamic load rating, axial
C0a
5,900,000 N
Basic static load rating, axial
Cua
460,000 N
Fatigue load limit, axial
nG
630 1/min
Limiting speed
nϑr
214 1/min
Reference speed
D
500 mm
Outside diameter
≈m
25.28 kg
Weight

Mounting dimensions
da min
493 mm
Minimum diameter shaft shoulder
Da max
434 mm
Maximum diameter of housing shoulder
ra max
2 mm
Maximum recess radius

Dimensions
D1
424 mm
Bore diameter housing washer
d1
495 mm
Rip diameter shaft washer
rmin
2 mm
Minimum chamfer dimension

Temperature range
Tmin
-30 °C
Operating temperature min.
Tmax
120 °C
Operating temperature max.

Additional information
K81184-M
Axial roller and cage assembly
GS81184
Housing Washer
WS81184
Shaft washer

Your current product variant
CageMBrass Cage
Thêm vào yêu cầu báo giá