PRODUCTS
- Home
- Giới thiệu sản phẩm
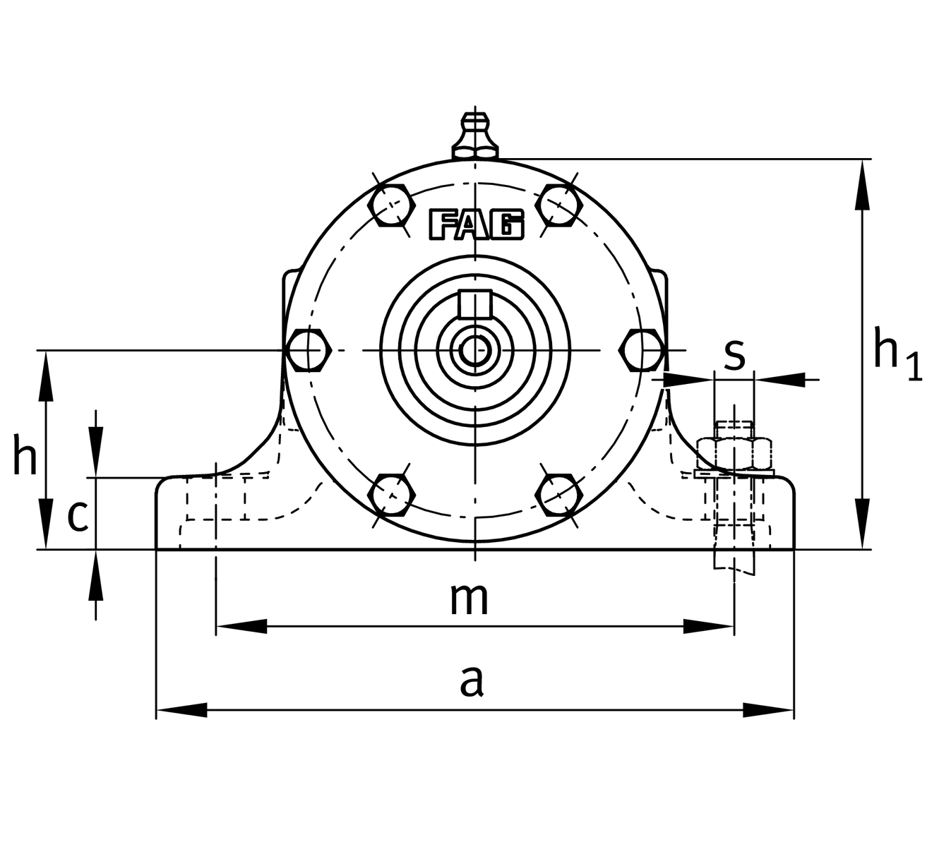
| d | 100 mm | Shaft diameter |
| a | 400 mm | Length base |
| h1 | 260 mm | Height |
| g2 | 665 mm | Total width with cover |
| ≈m | 177 kg | Weight |
| B | 47 mm | width |
| b | 95 mm | width base |
| c | 40 mm | heigth base |
| D | 215 mm | outside diameter bearing |
| d2 | 120 mm | shaft diameter shoulder |
| d4 | 90 mm | Shaft dieameter outside |
| e | 570 mm | locking collar width |
| h | 130 mm | center heigth |
| m | 320 mm | distance fixing bore |
| n | 500 mm | bore distance width |
| s | M20 | size of fixing screws |
| w1 | 1,036 mm | length shaft total |
| w3 | 170 mm | length shaft tap |
| w4 | 268 mm | lenght shaft end |
| w5 | 500 mm | length shaft shoulder |
6320-C3 | bearing designation | |
6320-C3 | reference bearing designation | |
VR320-A | housing |