PRODUCTS
- Home
- Giới thiệu sản phẩm
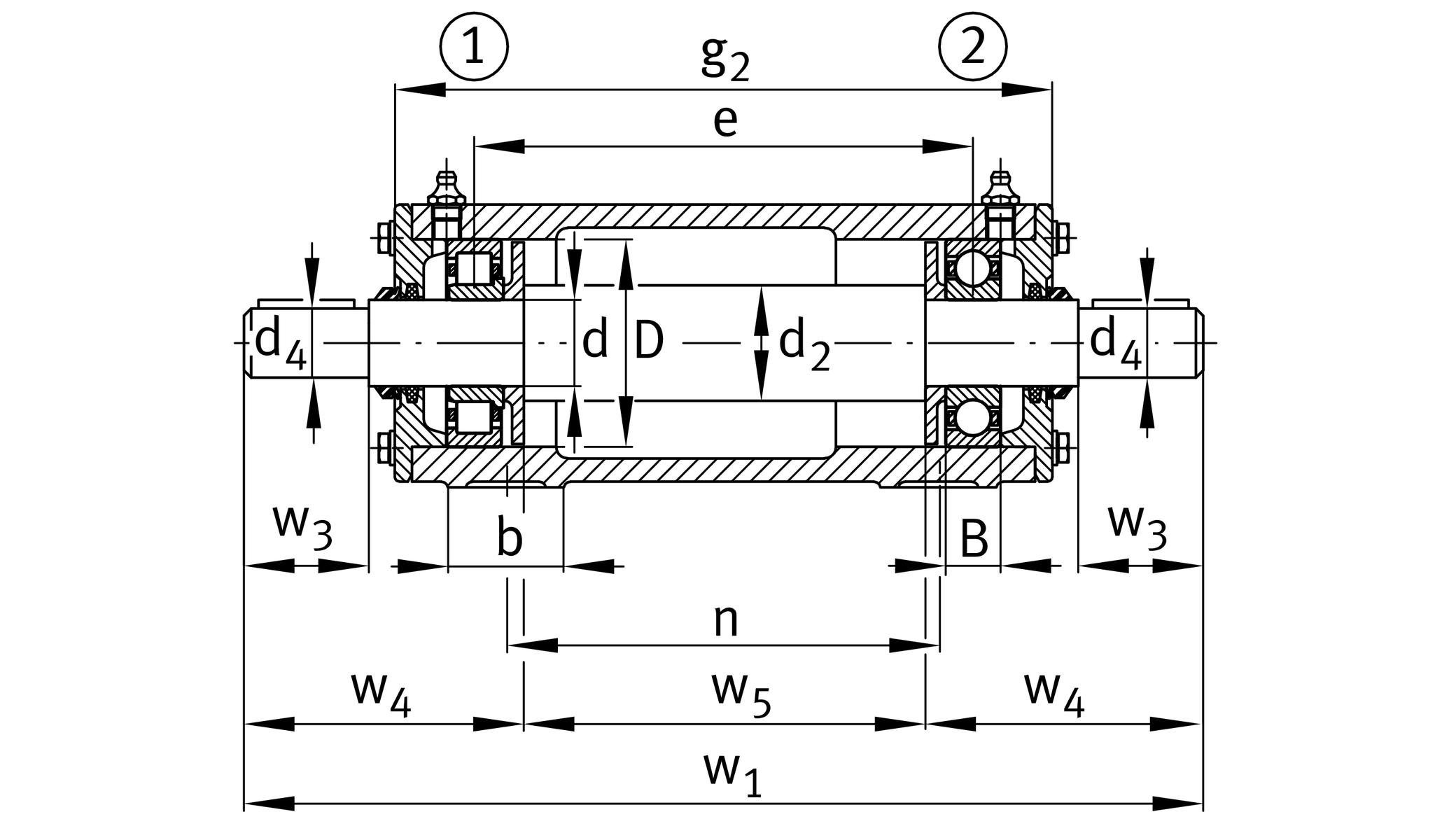
| d | 75 mm | Shaft diameter |
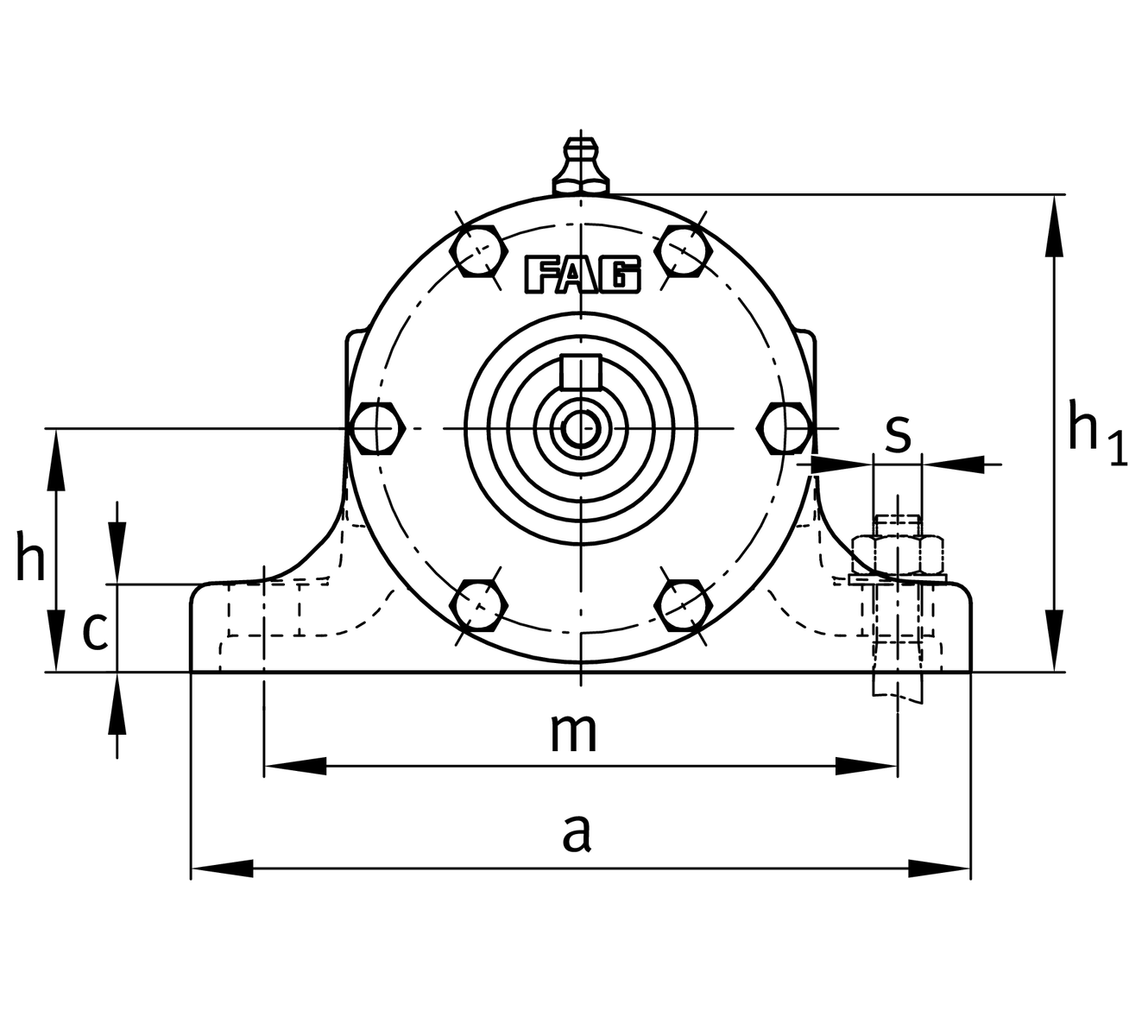
| a | 320 mm | Length base |
| h1 | 198 mm | Height |
| g2 | 530 mm | Total width with cover |
| ≈m | 1 g | Weight |
| B | 37 mm | width |
| b | 80 mm | width base |
| c | 30 mm | heigth base |
| D | 160 mm | outside diameter bearing |
| d2 | 90 mm | shaft diameter shoulder |
| d4 | 65 mm | Shaft dieameter outside |
| e | 451 mm | locking collar width |
| h | 100 mm | center heigth |
| m | 260 mm | distance fixing bore |
| n | 400 mm | bore distance width |
| s | M16 | size of fixing screws |
| w1 | 841 mm | length shaft total |
| w3 | 140 mm | length shaft tap |
| w4 | 226 mm | lenght shaft end |
| w5 | 389 mm | length shaft shoulder |
NJ315-E-TVP2 | bearing designation | |
6315-C3 | reference bearing designation | |
VR315-A | housing |