PRODUCTS

  • Home
  • Giới thiệu sản phẩm

INA
VSU200644-VSP
Slewing Ring, Four Point contact bearing, without gear teeth VSU200644-VSP
Thêm vào yêu cầu báo giá
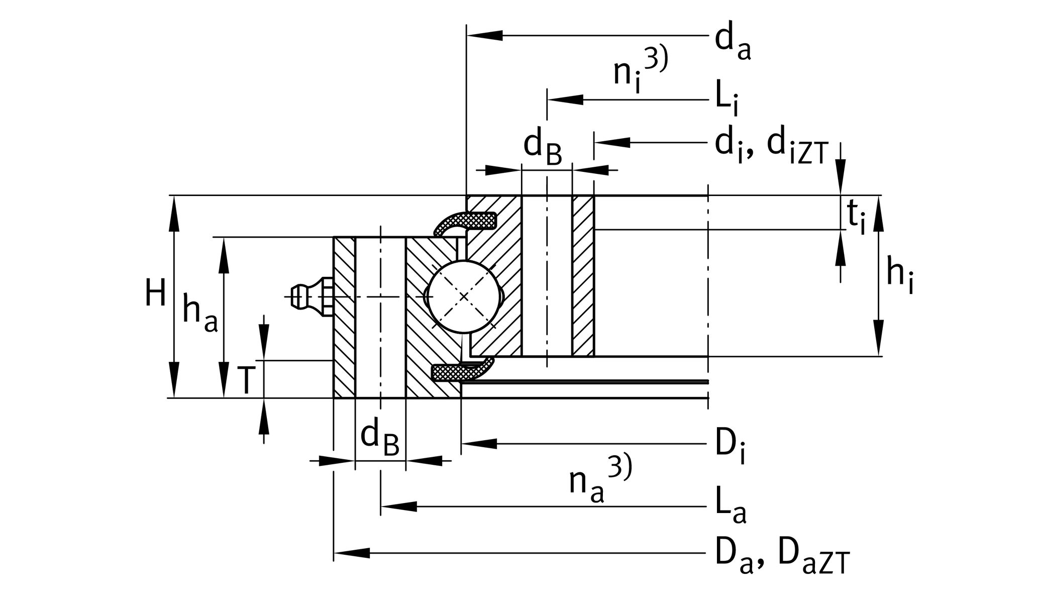
Main Dimensions & Performance Data
di
572 mm
Inner diameter inner ring
0 mm
Inner diameter inner ring lower tolerance
0.6 mm
Inner diameter inner ring upper tolerance
H
56 mm
Height
Da
716 mm
Outside Diameter
-0.6 mm
Outside diameter lower tolerance
0 mm
Outside diameter upper tolerance
ha
44.5 mm
Width outer ring
hi
44.5 mm
Width inner ring
≈m
1 kg
Weight

Dimensions
Di
645.5 mm
Inner diameter outer ring
0.6 mm
Inner diameter outer ring upper tolerance
0 mm
Inner diameter outer ring lower tolerance
da
642.5 mm
Outside diameter inner ring
0 mm
Outside diameter inner ring upper tolerance
-0.6 mm
Outside diameter inner ring lower tolerance
dB
14 mm
Fixing bore
La
690 mm
Pitchcircle diameter fixing holes outer ring
na
36
Number of fixing holes in outer ring
Li
598 mm
Pitchcircle diameter fixing holes inner ring
ni
36
Number of fixing holes in inner ring
Fr zul
148,700 N
Max. radial load fixing screws (friction locking)

Temperature range
Tmin
-25 °C
Operating temperature min.
Tmax
80 °C
Operating temperature max.

Calculation factors
Ca
162,000 N
Basic dynamic load rating, axial
C0a
1,040,000 N
Basic static load rating, axial
Cr
147,000 N
Basic dynamic load rating, radial (for radial load only)
C0r
475,000 N
Basic static load rating, radial (for radial load only)

Your current product variant
PreloadVSPBearing with preload
Thêm vào yêu cầu báo giá